ADMV7710-SX/ADMV7710CHIPS集合式 E 頻段砷化鎵 (GaAs)紅外光單支集合電路設計 ADI期貨
公布的時段:2018-06-05 15:46:08 查詢:7791
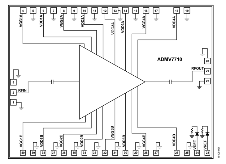
ADMV7710-SX/ADMV7710CHIPS 就是一款智能家居控制型式 E 頻段砷化鎵 (GaAs) 贗晶高微電子移動率轉意 (pHEMT)、微波通訊網絡單支智能家居控制型集成運放 (MMIC)、中等偏上生產率增加器,含有片內室內體溫賠償費生產率在線檢測整體,運轉幀率依據為 71 GHz 到 76 GHz。ADMV7710 可經由 4 V 開關電源作為 24 dB 的收獲、28 dBm 的效果的(1 dB 壓縮的)與 29 dBm 的飽和狀態效果的生產率(20% 生產率追加生產率)。ADMV7710 展露了好的線形度,如果實施了能力SEO,十分適于 E 頻段通訊網絡和高發熱量有線路由回城有線路由電整體。靠著增加器系統配置和高收獲,該元件加入wifi天線在之前的末尾一級通過成績網絡信號增加的好首選。幾乎所有的數據均由每一端口設置上根 3 mil 寬 × 0.5 mil 厚 × 7 mil 長的鍵合帶聯系的基帶存儲芯片(處在 50 Ω 測評固件內)實施信息采集。ADMV7710 以 40 焊盤裸片(基帶存儲芯片)的方式作為,可在 ?55°C 到 +85°C 的室內體溫依據內運轉。
|
品牌
|
型號
|
描述
|
貨期
|
庫存
|
|
ADI
|
ADMV7710-SX/ADMV7710CHIPS
|
具有功率檢測器的 71 GHz 到 76 GHz、1 W E 頻段功率放大器
|
現貨
|
56
|
ADMV7710-SX/ADMV7710CHIPS 采用
-
E 頻段通信系統
-
高容量無線回程無線電系統
-
測試和測量
ADMV7710-SX/ADMV7710CHIPS 結構圖

ADMV7710-SX/ADMV7710CHIPS 優勢和特點
-
增益:24 dB(典型值)
-
1 dB 壓縮的輸出功率:28 dBm(典型值)
-
飽和輸出功率:29 dBm(典型值)
-
輸出 3 階交調點:34 dBm(典型值)
-
輸入回波損耗:18 dB(典型值)
-
輸出回波損耗:10 dB(典型值)
-
直流電源:4 V,800 mA
-
無需外部匹配
-
裸片尺寸:2.999 mm × 3.999 mm × 0.05 mm