118097-HMC646LP2/118098-HMC646LP2/118099-HMC646LP2/118100-HMC646LP2 SPDT開關
2018-07-24 16:45:29
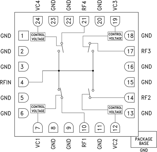
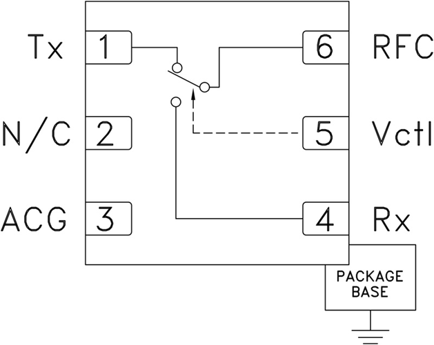
HMC646LP2(E)就是一款SPDT控制轉換開關,所采用無引腳DFN表貼塑料件封口,也可以于發射北斗衛星/發收和LNA保護區等標準不高失幀和可以達到40 W、占空比低過10%的高公率技術利用。 這類魯棒的控制轉換開關控制制100 - 2100 MHz*的數據信號,相對適用TD-SCDMA/3G中繼器、PMR、汽車行業遠程控制內容除理和北斗衛星手機用戶用戶技術利用。