欧洲一区二区-欧美激情一区二区-国产激情在线-欧美在线一区二区
歡迎語來珠海市立維創展網絡受限我司中國官方官網官網!
中文版
24H安全服務電活 0755-83050846 / 83039348
搜索
欧洲一区二区-欧美激情一区二区-国产激情在线-欧美在线一区二区
Home
關于我們
About
微波元器件
Microwave
AMCOM
CUSTOM MMIC
RF-LAMBDA
QORVO
MACOM
SOUTHWEST
NOVA射頻微波
KRYTAR
Aeroflex-API Tech
Anaren
Anritsu
RADITEK
North Hills
Synergy微波
WENTEQ
MITEQ
Marki
RF-Labs
ADI
CREE
UMS微波
PULSAR微波
MegaPhase
JDSU光纖測試
AMG-Microwave
Ironwood
Teledyne防務電子
HEROTEK
ARRA
MCLI
Leadway
CERNEX
Mi-Wave
ATM Microwave(L-3)
UTE Microwave
NEL Frequency Controls
API SAW Oscillators
SemiGen
KR Electronics
MECA
Electro-Photonics
RLC Electronics
JUPITER(Canada)
?IPP
電源模塊
Power
PICO
Cyntec乾坤
GAIA
VICOR
LINEAR
ARCH
SynQor
TOREX
SILERGY矽力杰
DELTA
XP power
DAC | ADC芯片
DAC|ADC
EUVIS
ADI
Teledyne E2V
微處理器
MCU
PADAUK應廣單片機
中科昊芯DSP
先楫MCU
雅特力MCU
Intel-ALTERA FPGA
澎湃微
風扇
Fan
DELTA臺達風扇
SUNON建準風扇
熱縮管
Heat Shrink Tubing
Raychem
自研產品
Leadway Prodcuts
LEADWAY電源模塊
LEADWAY微波產品
聯系我們
Contact
行業領域資訊、短視頻軟件
欧洲一区二区-欧美激情一区二区-国产激情在线-欧美在线一区二区
熱縮管
熱縮管
微波元件
電源模塊
ADC|DAC芯片
熱縮管
微處理器
風扇
自研產品
DR-25-1/8-0-SP線束熱縮管 Raychem瑞侃熱縮管原裝現貨
2019-03-04 14:36:53
Raychem瑞侃DR-25-1/8-0-SP束線熱縮管環球供貨周期,墻面裝飾內型?: 預涂膜管,發展內徑(輕柔的值)?: 3.2?mm,可以恢復的內徑(最多值)?: 1.6?mm,收斂率?: 2:1,耐?: 靜摩擦,藥液,自動化機械挫傷,剪切力。
DR-25-1/4-0-SP瑞侃熱縮管 Raychem代理現貨
2019-03-04 14:17:06
DR-25-1/4-0-SP瑞侃熱縮管,墻壁型號?: 預涂膜管,壯大內徑(至少值)?: 6.4?mm,灰復的內徑(最明顯值)?: 3.2?mm,緊縮率?: 2:1,村料?: 化學交聯回彈力體。
DR-25-2-0-SP瑞侃熱縮管 Raychem現貨
2019-03-04 13:39:36
DR-25-2-0-SP瑞侃熱縮管紅色,提高內徑(不大值)?: 51?mm,恢復過來的內徑(最大的值)?: 25.4?mm,內縮率?: 2:1墻面裝修的業務類型?: 預涂膜管,水射流的業務類型?: 行車制動器液, 柴油車, 水, 抗磨液壓裝置油油, 液壓裝置油, 航空運輸用染料。
DR-25-3-0-SP線束熱縮管 瑞侃熱縮管原裝現貨
2019-03-04 13:38:49
瑞侃熱縮管DR-25-3-0-SP黃色電子線束熱縮管具變大公稱直徑(不大值)?: 76?mm?,恢復過來的公稱直徑(最大程度值)?: 38?mm,回縮率?: 2:1,粘性流體類別?: 剎車系統液, 重油, 水, 防銹水油, 液壓多路閥油, 中國航空用燃油等特殊性。
DR-25-1-1/2-0-SP黑色線束熱縮管 瑞侃熱縮管現貨
2019-03-04 13:37:58
瑞侃DR-25-1-1/2-0-SP深藍色整車線束熱縮管,減少直徑(很小值)?: 38.1?mm?,恢愎的直徑(大值)?: 19?mm,抽縮率?: 2:1,外墻業務結構類型?: 預涂膜管,像流體一樣業務結構類型?: 汽車制動液, 柴油發動機, 水, 進行潤滑處理油, 液壓油泵油, 中國航空用染料。
AM003536WM-BM-R/AM003536WM-EM-R/AM003536WM-FM-R超寬帶功率放大器 現貨
2019-02-20 11:01:11
AMCOM的AM003536WM-BM/EM/FM-R不是款超長帶砷化鎵MMIC額定工率放縮器。它在0.01至3.5GHz頻段兼具22 dB的增益值和36dBm的輸出的額定工率。該MMIC坐落陶瓷圖片打包封裝類型中,微波射頻和直流電引線坐落打包封裝類型的較低水平面,若要于將低直接費用SMT折裝到PC板上。
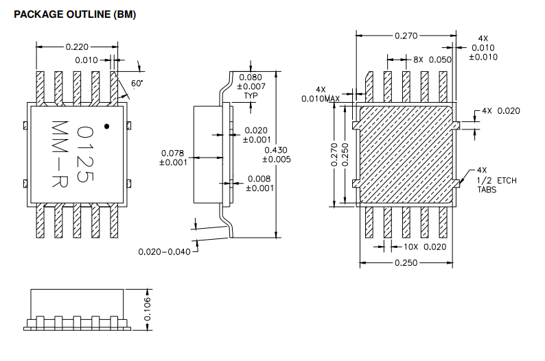
AM012535MM-BM-R/AM012535MM-FM-R功率放大器 現貨代理
2018-05-25 16:55:43
AMCOM的AM012535MM-BM-R與AM012535MM-FM-R是GaAs MMIC瓦數放縮器系統的是一的部分。它有20 dB增益控制和33 dBm內容輸出瓦數,突破0.03到2.5 GHz。
欧洲一区二区-欧美激情一区二区-国产激情在线-欧美在线一区二区
上一頁
1
2
...
18
19
20
21
22
23
24
25
26
下兩頁 尾頁
共
26
頁
757
條數據