DC- 28 GHz寬帶低噪聲分布式放大器 MAAL-011141
2018-12-05 16:36:06
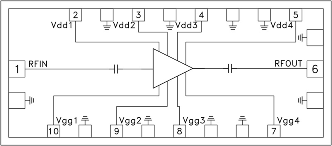
MAAL-011141有的是款易用到的網絡帶寬低躁聲地理分布式系統圖像拖動器電路系統集成塊。它事業在DC至28 GHz,在8 GHz時提高17.5 dB的線性網絡增加收益,16 dBm的P1dB和1.4 dB的躁聲指數公式。輸人和輸出精度齊全適配50Ω,主要回波自然損耗> 15 dB。該圖像拖動器電路系統用于有源數據數據終端電路系統,在頻繁范疇的上方建立比用到傳統性電容數據數據終端技藝更低的躁聲指數公式。