EQ1251-XX增益均衡器API-Inmet
2024-07-15 09:08:55
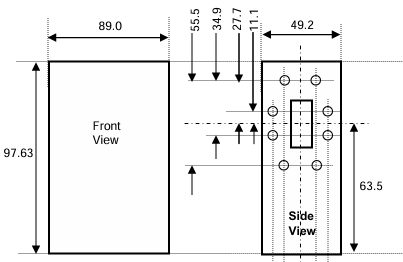
EQ1251-XX都是款規定增加收益值均衡性器,工作率範圍為2到18 GHz,適宜于工作率相關內容的增加收益值變動。其組合件因素涵蓋必選的Δ斜率從2到35 dB,最明顯加上損耗率在18 GHz處為0.36 ± 0.02 dB,規則化度在2-10 dB範圍內為±0.75 dB,最明顯輸人/效果電機功率在+25°C時為1W。機械設備形態涵蓋應用Passivated Stainless Steel SMA拼接器,工作高溫範圍為-54°C到+125°C,滿足RoHS必須,采用了樹脂密封帶拼接器,展示耐造性和安全可靠性預計。