RFLI090M21M29超寬帶同軸隔離器RF-LAMBDA
2024-06-21 08:46:13
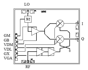
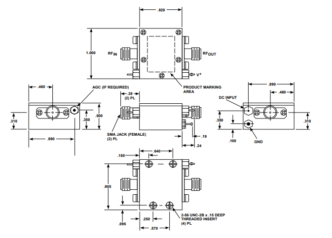
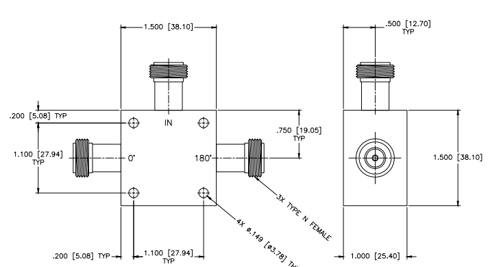
RFLI090M21M29是RF-LAMBDA的市場上加寬帶同軸隔離器,運作速率為214MHz至286MHz,極具0.6dB最主要放衰減、19dB面值最小隔離度、1.3:1 VSWR和50W連著波正向著公率。它可以支持N型或SMA型聯系器,阻抗匹配為50Ω,運作攝氏度區間為-40°C至+85°C。該隔離器選在wifi手機基礎性設施管理、軍用、飛機航天部、軟件測試實驗室設備、汽車雷達體系、5G溝通等方向,極具不錯的抗振和沖擊試驗穩定性,可在高達獨角獸30,000英寸的海拔有間距下運作。