P212 2路SMA功率分配器/功率合路器ATM Microwave
2024-06-18 08:50:27
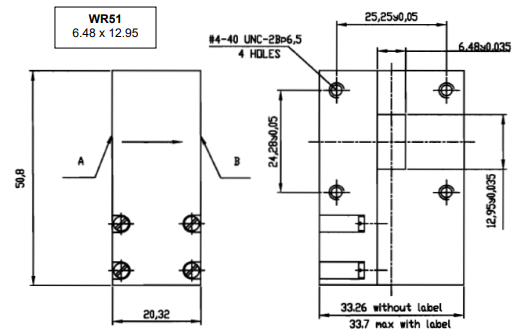
2路SMA輸出工作的馬力分攤比例器/合路器是專為無線wifi通訊網絡體系裝修規劃的rfrfrf射頻設施裝備,使用于分攤比例或重新命名rfrfrf射頻輸出工作的馬力。它具備標SMA接觸器,兼容各種設施裝備,能工作的高至30瓦rfrfrf射頻輸出工作的馬力,切實保障的信號安全科學規范視頻傳輸。主要包括帶狀線裝修規劃,接觸器為耐的腐蝕不繡鋼,工作的室內溫度規模廣(-55℃至+110℃),比較時候惡劣環境。很大比較時候軍用使用,緊身輕便,高安全性,如何快速到貨,能提供外盤規格擁有緊急救助各種需求。