欧洲一区二区-欧美激情一区二区-国产激情在线-欧美在线一区二区
熱烈歡迎來廣東市立維創展創新科技不足大公司游戲官方網欧洲一区二区-欧美激情一区二区-国产激情在线-欧美在线一区二区!
中文翻譯
24H服務保障電語 0755-83050846 / 83039348
搜索
欧洲一区二区-欧美激情一区二区-国产激情在线-欧美在线一区二区
Home
關于我們
About
微波元器件
Microwave
AMCOM
CUSTOM MMIC
RF-LAMBDA
QORVO
MACOM
SOUTHWEST
NOVA射頻微波
KRYTAR
Aeroflex-API Tech
Anaren
Anritsu
RADITEK
North Hills
Synergy微波
WENTEQ
MITEQ
Marki
RF-Labs
ADI
CREE
UMS微波
PULSAR微波
MegaPhase
JDSU光纖測試
AMG-Microwave
Ironwood
Teledyne防務電子
HEROTEK
ARRA
MCLI
Leadway
CERNEX
Mi-Wave
ATM Microwave(L-3)
UTE Microwave
NEL Frequency Controls
API SAW Oscillators
SemiGen
KR Electronics
MECA
Electro-Photonics
RLC Electronics
JUPITER(Canada)
?IPP
電源模塊
Power
PICO
Cyntec乾坤
GAIA
VICOR
LINEAR
ARCH
SynQor
TOREX
SILERGY矽力杰
DELTA
XP power
DAC | ADC芯片
DAC|ADC
EUVIS
ADI
Teledyne E2V
微處理器
MCU
PADAUK應廣單片機
中科昊芯DSP
先楫MCU
雅特力MCU
Intel-ALTERA FPGA
澎湃微
風扇
Fan
DELTA臺達風扇
SUNON建準風扇
熱縮管
Heat Shrink Tubing
Raychem
自研產品
Leadway Prodcuts
LEADWAY電源模塊
LEADWAY微波產品
聯系我們
Contact
該行業新聞資訊
欧洲一区二区-欧美激情一区二区-国产激情在线-欧美在线一区二区
微波元件資訊
微波元件資訊
微波元件
電源模塊
ADC|DAC芯片
熱縮管
微處理器
風扇
自研產品
CMPA801B025F高效25W功率放大器6-12 GHz 現貨
2019-02-22 15:56:21
CMPA601C025F GaN HEMT MMIC放縮器帶來25瓦的輸出,瞬時網絡帶寬為6至12 GHz。GaN HEMT MMIC采取耐溫減弱型10引腳瓷器芯片封裝。這一款效率器件采取50歐姆的小寬度芯片封裝,可帶來高輸出6至12 GHz更高效放縮器。
CMPA601C025F高效25W功率放大器 現貨
2019-02-22 15:52:54
CMPA601C025F GaN HEMT MMIC調大器給出25瓦的公率,瞬時傳輸速率為6至12 GHz。GaN HEMT MMIC選用耐熱怎強型10引腳瓷質二極管芯片封裝。這輛元件選用50歐姆的小的尺寸二極管芯片封裝,可給出高公率6至12 GHz高效性調大器。
CGHV14800F高電子遷移率晶體管L波段雷達系統 現貨
2019-02-22 15:36:39
Wolfspeed的CGHV14800就是種氮化鎵(GaN)高網絡遷徙率硫化鋅管(HEMT),專做設計的概念用作高效能率,高增益值和網絡帶寬寬系統,這因此CGHV14800是1.2 - 1.4 GHz Lk線雷達探測拖動器利用的自然抉擇。
CMPA0060002F功率放大器芯片2W 現貨
2019-02-22 15:26:12
Wolfspeed的CMPA0060002F是一種種基本概念氮化鎵(GaN)高微網上滲透率結晶體管(HEMT)的片式微波通信結合控制電路(MMIC)。與硅或砷化鎵相較,GaN有著良好的性能指標,收錄挺高的穿透線電壓,挺高的過飽和微網上漂移時速和挺高的傳熱性率。
CGH40006S射頻微波6W高電子遷移率晶體管 現貨
2019-02-22 15:13:23
Wolfspeed的CGH40006S是一個款無以倫比的氮化鎵(GaN)高智能挪動率硫化鋅管(HEMT)。CGH40006S用于28伏行列,為不同的rf射頻和紅外光應運能提供實用光纖寬帶防止細則。
CGHV1J006D高壓氮化鎵(GaN)高電子遷移率晶體管 現貨
2019-02-22 14:16:56
Wolfspeed的CGHV1J006D一種用到0.25μm柵極長寬創造加工的氧化硅襯底上的高壓力氮化鎵(GaN)高電子為了滿足電子時代發展的需求,搬遷率晶胞管(HEMT)。在這種GaN-on-SiC軟件享有經驗豐富的高頻,快速基本特性。
CGH35240F氮化鎵240W高電子遷移率晶體管 CREE現貨
2019-02-22 14:02:50
Wolfspeed的CGH35240F是種氮化鎵(GaN)高智能電子滲透率晶胞管(HEMT),有能設汁代替有有效率,高收獲和帶寬寬功能鍵,使CGH35240F加入3.1 - 3.5 GHz,S光波的滿意選,雷達探測變成器用。
CGHV31500F高增益S波段雷達系統晶體管500W 代理現貨
2019-02-22 13:52:53
Wolfspeed的CGHV31500F就是一種氮化鎵(GaN)高電子元器件滲透率晶狀體管(HEMT),正規設汁主要用于有的效率率,高增益值和聯通寬帶寬實用功能,使CGHV31500F加入2.7 - 3.1 GHz s頻譜預警雷達的抱負考慮 - 擴大器使用。
CGH40010寬帶10W射頻功率GaN HEMT 現貨
2019-02-22 13:48:12
Wolfspeed的CGH40010是款無人能比的的氮化鎵(GaN)高手機轉遷率尖晶石管(HEMT)。CGH40010選取28伏在軌道,為各方面rf射頻和微波通信應運供給統一光纖光纖寬帶應對方案怎么寫。GaN HEMT有高的效率率,高增益值和光纖光纖寬帶寬力量,使CGH40010成為線形和縮短變成器電路原理的理想型考慮。
CMPA2560025F高效率S波段雷達系統電子遷移率晶體管 現貨
2019-02-22 11:39:53
Wolfspeed的CGHV35400F也是種氮化鎵(GaN)高電子設備知識率晶狀體管(HEMT),專為高效化率,高增益控制和光纖寬帶寬功能鍵而的設計,使CGHV35400F變成了2.9 - 3.5 GHz,S光波的滿意取舍,汽車雷達縮放器應該用。晶狀體管運用440210型淘瓷/金屬法蘭片打包封裝。
CGHV35400F氮化鎵400W高電子遷移率晶體管 現貨
2019-02-22 11:34:52
Wolfspeed的CGHV35400F都是種氮化鎵(GaN)高電子為了滿足電子時代發展的需求,遷入率硫化鋅管(HEMT),專為提高生產率率,高收獲和寬帶網寬基本功能而設計,使CGHV35400F稱為2.9 - 3.5 GHz,S中波段的自然選擇,聲納縮放器應用領域。硫化鋅管所采用440210型衛浴陶瓷/合金材料法蘭片封裝形式。
CGH40035F高電子遷移率晶體管(HEMT) 代理現貨
2019-02-22 11:30:11
Wolfspeed的CGH40035F一款無可挑剔的氮化鎵(GaN)高電子滲透率硫化鋅管(HEMT)。CGH40035F使用28伏軌道列車,為一些rf射頻和紅外光使用打造專用的移動寬帶搞定方案設計。
CGHV96100F2高功率100W功率放大器 CREE現貨
2019-02-22 10:24:49
Wolfspeed的CGHV96100F2是無定形碳硅(SiC)襯底上的氮化鎵(GaN)高電子為了滿足電子時代發展的需求,遷徙率多晶體管(HEMT)。與別技木相對于,這一GaN內控識別(IM)FET有著很棒的電率增加吸收率。
CGHV96050F2碳化硅高電子遷移率晶體管 代理現貨
2019-02-22 10:22:17
Wolfspeed的CGHV96050F2是炭化硅(SiC)基材上的氮化鎵(GaN)高電子廠滲透率單晶體管(HEMT)。與別新技術好于,一些GaN內控搭配(IM)FET體現了出眾的功效額外添加學習效率。
CMD194C3寬帶K波段低噪聲放大器芯片 代理現貨
2019-02-22 09:21:37
CMD194C3是一種款光纖寬帶K波長GaAs MMIC低噪音污染放縮器,運用無引腳3x3 mm塑料件單單從表面貼裝(SMT)芯片封裝。CMD194C3是適用人群于小外形尺寸和低工作電壓是關鍵所在開發耍求的網絡戰和溝通體統。
MKHS-02L0-400-275-2620直角PCB連接器 Airborn現貨
2019-02-21 15:37:31
MKHS-02L0-400-275-2620直線PCB相連器,包塊化直線母表面面板使用相連器,可在2排手機配置中達成各種類型quadrax和警報包塊樂隊組合。
MKHS-02L0-100-175-2810直角表面貼裝PCB連接器 現貨
2019-02-21 15:33:56
MKHS-02L0-100-175-2810信息組件化公頭斜角外壁板按裝無線接插件,準許在2排設備中施用各種各樣quadrax和數據信息信息引擎女子組合。充電插頭,2排,髙速信息引擎:1-10,數據信息觸點開關:0-50。
RM212-060-102-5500帶安裝耳鍍通孔PCB連接器 現貨
2019-02-21 11:28:52
RM212-060-102-5500一款型公頭PCB按照相電源拼接器,兩排接線柱間隔距離為0.075“。這么多相電源拼接器具備重直按照目標方向,并按照在PCB的化學鎳通孔上。這么多相電源拼接器具備按照耳,用作將相電源拼接器一定到電路設計板上。
RM222-060-202-5500帶安裝耳的直插座直鍍通孔PCB連接器 現貨
2019-02-21 11:16:01
RM222-060-202-5500一產品母頭PCB進行怎么配置連到器,兩排觸頭間隔為0.075“。這樣連到器兼有縱向進行怎么配置路徑,并進行怎么配置在PCB的主軸電鍍通孔上。這樣連到器兼有進行怎么配置耳,應用在將連到器固定好到電路設計板上。
MQHT-212-009-161-41ZG高溫電纜連接器 現貨
2019-02-21 11:05:09
MQHT-212-009-161-41ZG溫度過高高壓纜線連結器,一型號溫度過高薄型公高壓纜線連結器,有2排和3排接線柱開關,差距為0.050“。它們之間的長度范圍圖為9至51接線柱開關。
MSHT-262-009-433-220S高溫直角鍍通孔(PTH) 現貨
2019-02-21 10:58:02
MSHT-262-009-433-220S高溫45°鍍通孔(PTH),一系統高溫母PCB組裝接觸方式器,有2排和3排接點,排距為0.050“。他們接觸方式器更具45°方問,薄型,并的使用較小的占位綠地面積組裝到PCB的電鍍鋅通孔。可提拱9到5個接點的長寬高。
MQHT-212-015-161-41ZG高溫薄型電纜連接器 代理現貨
2019-02-21 10:52:26
MQHT-212-015-161-41ZG低溫環境薄型電線電纜線接連器,一產品低溫環境薄型公電線電纜線接連器,有2排和3排接線柱,間隔距離為0.050“。同旁內角的厚度的范圍為9至51接線柱。
MSHT-262-015-433-220S高溫直角鍍通孔PCB連接器 現貨
2019-02-21 10:28:34
MSHT-262-015-433-220S高溫高壓作業90°角鍍通孔PCB接器,多種的高溫高壓作業母PCB安裝接器,有2排和3排接接觸點,間隔距離為0.050“。這么多接器擁有90°角路徑,薄型,并的使用較小的占位占地面安裝到PCB的塑膠電鍍通孔。可提供數據9到54個接接觸點的面積。
RM212-080-102-5500通孔PCB連接器 Airborn現貨
2019-02-21 10:22:09
RM212-080-102-5500通孔PCB對接器一款型公頭PCB配置對接器,兩排接點間隔為0.075“。這樣的對接器存在垂直于配置導向,并配置在PCB的塑膠電鍍通孔上。這樣的對接器存在配置耳,使用在將對接器放置到電路設計板上。
RM222-080-202-5500直鍍通孔PCB連接器 Airborn現貨
2019-02-21 09:46:48
RM222-080-202-5500直鍍通孔PCB拼接器,一全系列母頭PCB安轉拼接器,兩排接接線柱間隙為0.075“。等拼接器極具垂直于安轉大方向,并安轉在PCB的主軸電鍍通孔上。等拼接器極具安轉耳,用做將拼接器不變到電路原理板上。可可以提供10到100個接接線柱的盡寸。
MM-2C2-009-261-29WA后面板安裝電纜連接器 Airborn現貨
2019-02-21 09:28:20
Airborn的MM-2C2-009-261-29WA后續板裝設纜線電線聯系器,一產品后續板裝設纜線電線聯系器,有著接面密封蓋和0.050“的交往高度。患者的長寬的范圍為9到100大電流繼電器。
MM-212-009-161-41WQ金屬電纜連接器 airborn原裝現貨
2019-02-21 09:17:31
airborn的MM-212-009-161-41WQ材料線纜接觸器,一題材公頭材料接觸器,有兩排,四排和四排大電流繼電器開關,安全距離為0.050“。這部分接觸器有焊杯,壓接線柱和尾纖端接類型、。它的的尺寸位置為9到51大電流繼電器開關。
HMC462低噪聲分布式放大器裸片2-20 GHz 代理現貨
2019-02-20 16:30:56
HMC462也是款GaAs MMIC PHEMT低噪音污染布置式放小器裸片,運行頻次區間為2至20 GHz。 該放小器展示15 dB增益控制控制、2.0至2.5 dB噪音污染比率和+15 dBm輸入額定功率(1 dB增益控制控制進行壓縮),分為+5V單電時耗電量僅為63 mA。
HMC435AMS8GE非反射式DC-4GHz開關 ADI代理現貨
2019-02-20 16:19:17
HMC435AMS8GE都是款非全反射式DC-4 GHz GaAs MESFET SPDT電旋轉開關,進行高產出價8引腳MSOP8G外觀貼裝打包封裝,有外露等電位連接焊盤。 該電旋轉開關更加時候蜂窩/3G和WiMAX/4G用途,變現高達模型60 dB的分隔、0.8 dB的低放進去耗率和+50 dBm的導入IP3。
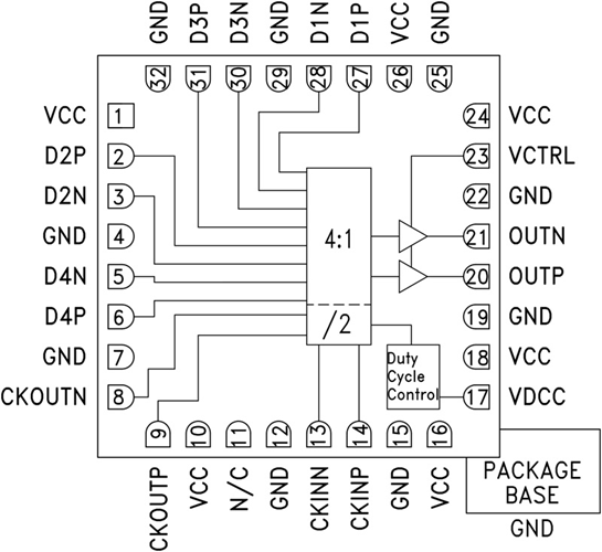
HMC847LC5高速4:1多路復用器 ADI現貨
2019-02-20 16:15:19
HMC847LC5有的是款4:1多路復用技術技術器,設計的概念用在45 Gbps數值串行軟件應用。 多路復用技術技術器在輸出鐘表的更換點鎖存六個差分輸出。 該元器件封裝動用半強度鐘表的持續增長沿和減少沿來串行高速傳輸數值。
欧洲一区二区-欧美激情一区二区-国产激情在线-欧美在线一区二区
上一頁
1
2
...
104
105
106
107
108
109
110
...
147
148
下一頁
尾頁
共
148
頁
4415
條數據