欧洲一区二区-欧美激情一区二区-国产激情在线-欧美在线一区二区
邀請來佛山市立維創展科學不多司官方網絡網絡!
中文名字
24H服務性電話 0755-83050846 / 83039348
搜索
欧洲一区二区-欧美激情一区二区-国产激情在线-欧美在线一区二区
Home
關于我們
About
微波元器件
Microwave
AMCOM
CUSTOM MMIC
RF-LAMBDA
QORVO
MACOM
SOUTHWEST
NOVA射頻微波
KRYTAR
Aeroflex-API Tech
Anaren
Anritsu
RADITEK
North Hills
Synergy微波
WENTEQ
MITEQ
Marki
RF-Labs
ADI
CREE
UMS微波
PULSAR微波
MegaPhase
JDSU光纖測試
AMG-Microwave
Ironwood
Teledyne防務電子
HEROTEK
ARRA
MCLI
Leadway
CERNEX
Mi-Wave
ATM Microwave(L-3)
UTE Microwave
NEL Frequency Controls
API SAW Oscillators
SemiGen
KR Electronics
MECA
Electro-Photonics
RLC Electronics
JUPITER(Canada)
?IPP
電源模塊
Power
PICO
Cyntec乾坤
GAIA
VICOR
LINEAR
ARCH
SynQor
TOREX
SILERGY矽力杰
DELTA
XP power
DAC | ADC芯片
DAC|ADC
EUVIS
ADI
Teledyne E2V
微處理器
MCU
PADAUK應廣單片機
中科昊芯DSP
先楫MCU
雅特力MCU
Intel-ALTERA FPGA
澎湃微
風扇
Fan
DELTA臺達風扇
SUNON建準風扇
熱縮管
Heat Shrink Tubing
Raychem
自研產品
Leadway Prodcuts
LEADWAY電源模塊
LEADWAY微波產品
聯系我們
Contact
服務行業內容
欧洲一区二区-欧美激情一区二区-国产激情在线-欧美在线一区二区
微波元件資訊
微波元件資訊
微波元件
電源模塊
ADC|DAC芯片
熱縮管
微處理器
風扇
自研產品
ADA4841-2YRMZ低噪聲放大器 ADI現貨
2019-02-18 14:07:04
ADA4841-2YRMZ不是款機構收獲穩定的、低嘈音、低模糊、軌到軌輸出電阻縮放器,空態工作工作電流最大的數值為1.5 mA。 該縮放器往往功能損耗低,還供應2.1 nV/√Hz的低寬帶網電阻嘈音特性和1.4 pA/√Hz的工作工作電流嘈音,100 kHz時兼備不錯的-105 dBc無雜散動態化比率(SFDR)。
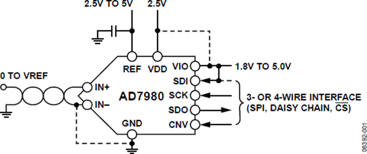
AD7980ARMZ模數轉換器(ADC) 代理現貨
2019-02-18 14:00:32
AD7980ARMZ有的是款16位、逐次邁進型變位系數切換器(ADC),利用單主機供電(VDD)共電。它原機一名低耗電量、高速的、16位監測系統ADC和一名多工作串行模塊網口。在CNV攀升沿,該功率器件對IN+與IN-內的模擬機設置輸出功率差做監測系統,范圍內從0 V至REF。基點輸出功率(REF)由 外部展示 ,但是就可以單獨的于主機供電輸出功率(VDD)。
ADN2915ACPZ集成限幅放大器/均衡器 ADI現貨
2019-02-18 11:44:01
ADN2915ACPZ可帶來了敘述發送到器模塊:考評、網絡信號電平在線檢測、鐘表和大數據信息分析回到,適用性于從6.5 Mbps到11.3 Gbps的連續性大數據信息分析傳輸率。它可會自動選擇至全部大數據信息分析傳輸率,而免第三方符合鐘表或編寫程序。
OP284TRZ-EP-R7單電源4 MHz帶寬放大器 現貨
2019-02-18 11:07:37
OP284TRZ-EP-R7是雙的作業區、單電、4 MHz服務器帶寬變小器,具軌到軌進入與輸出性狀。保證質量的作業電壓範圍為+3 V至+36 V(或±1.5 V至±18 V),就能夠選用低至+1.5 V的單電的作業。
HMC4069LP4E整數N分頻頻率合成器 現貨
2019-02-18 10:59:49
HMC4069LP4E都是款整數N分平繁率分解器,將10至1300MHz的字母鑒頻鑒相器與10至2900MHz 5位頻帶寬度篩選器女子組合在我們一起。它是和低相位背景噪聲頻帶寬度分解器應用領域。
AD8310ARMZ超快響應對數放大器 ADI現貨
2019-02-18 10:51:20
AD8310ARMZ都是種款超快沒有響應、工作多種的常用對數計算調小器,選用8引腳中大型SO封裝形式。它都是種款特征提取漸漸減小(逐次減小)水平的400 MHz完整篇單處理芯片解調常用對數計算調小器,在頻次最高的為100 MHz時可展示95 dB(±3 dB原則不同性)和90 dB(±1 dB緊偏差界限)的動態的依據。
AD7091BCPZ-RL模數轉換器 代理現貨
2019-02-18 10:42:29
AD7091BCPZ-RL是款12位逐次梯度下降法寄存器變位系數切換器(SAR ADC),可在高吞吐帶寬(50 MHz SCLK時為1 MSPS)下做到非常低工作頻率(3 V和1 MSPS時具代表性值一般選擇367 μA)。
HMC437MS8GE低噪聲靜態分頻器 原裝現貨
2019-02-18 10:22:56
HMC437MS8GE都是款低低頻噪音1分頻空態分頻器,利用InGaP GaAs HBT科技,用到低投資成本8引腳表貼塑料管封裝形式。 此集成電路芯片在DC(利用方波手機設置)至7 GHz的手機設置頻率下任務,利用+5V DC單電源適配器。
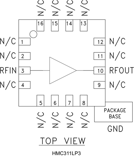
HMC311LP3異質結雙極性晶體管 ADI現貨
2019-02-18 10:05:38
HMC311LP3是一個款GaAs InGaP異質結雙正負結晶體管(HBT)增加收益包塊MMIC SMT調小器,工作上規律區間為DC至6 GHz。 此款3x3mm QFN封口調小器可以用作級聯50 Ohm增加收益級或適用驅程模擬輸出效率到達+17 dBm的HMC混頻器LO。
HMC584LP5E異質結雙極性晶體管 原裝現貨
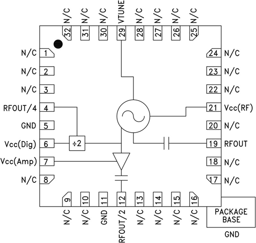
2019-02-18 09:55:24
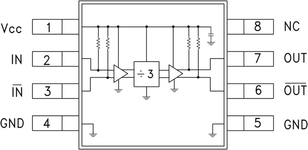
HMC584LP5E是一種款GaAs InGaP異質結雙正負單晶體管(HBT) MMIC VCO。 HMC584LP5(E)集就成為了諧振器、負電阻值電子器件和變容場效應管,可輸出精度電壓半頻,并供給3分頻輸出精度電壓。
5962-9683901MPA低功耗高速放大器 原裝現貨
2019-02-18 09:52:13
5962-9683901MPA是款低工作頻率、的交流電壓意見反饋型、速度放小器,設汁選用+3 V、+5 V或±5 V交流交流電源送電設備。它具有著單交流交流電源送電設備業務能力,發送的交流電壓範圍就是從負送電設備軌球以內200 mV至正送電設備軌1 V範圍球以內。
AD5314BRM/AD5314ARMZ四路電壓輸出10位DAC ADI代理現貨
2019-02-15 17:30:19
AD5314BRM,AD5314ARMZ均為四8-,10-,和12位儲存電壓電流工作讀取DAC 10引腳MSOP和10引腳,從一個的2.5 V至5.5 V電原供水LFCSP芯片封裝,在3耗損500μA V.同旁內角的片上工作讀取調大器不可以以0.7 V /μs的壓擺率推動軌到軌工作讀取擺幅。
AD8362ARU/AD8362ARUZ功率檢波器 ADI現貨
2019-02-15 17:26:09
AD8362ARU/AD8362ARUZ都是款真真正正的均方根反映工率檢波器,有65 dB的測試規模。它支持于各類高頻微波通信模式和都要對預警工率確定準確反映的檢測設備。它易運用,只都要一位5 V的電源線和多個電感器。
AD9952YSVZ直接數字頻率合成器(DDS) ADI現貨
2019-02-15 15:23:15
AD9952YSVZ就是款會直接號碼速度生成器(DDS),享有14位DAC(號碼 - 摸擬轉型器),事情數率達mg400 MSPS。AD9952主要包括較為先進的DDS水平,綜合室內飛速,高機械性能DAC,造成號碼可編程控制器學習,完善的高次數生成器,會所產生速度達mg200 MHz的速度捷變摸擬輸出電壓余弦波形圖。
AD8307ARZ/AD8307ARZ對數放大器 ADI現貨
2019-02-15 14:01:37
AD8307是即將上市用于8引腳SOIC_N封裝形式的常用常用對數擴大器。它也是款完整版的500 MHz單支解調常用常用對數擴大器,由于逐行再壓縮(累計檢側)技藝,保證92 dB至±3 dB民法同步性的動態圖片比率和88 dB至各個幀率下±1 dB的從緊數據誤差的限制100 MHz。
OP284ESZ/OP284CHIPS精密RRIO雙運算放大器 ADI現貨
2019-02-15 11:37:39
OP284ESZ/OP284CHIPS?它提高在+3至+36(或±1.5至±18)伏特的額定電壓下業務,然而就可以的使用低至+1.5伏的單電源適配器業務。
AD96687BQ_AD96687BPZ超高速電壓比較器 ADI現貨
2019-02-15 10:47:34
AD96687BQ、AD96687BPZ是高速公路電阻值比效器。AD96687BQ、AD96687BPZ就是一款同樣的高速公路的雙比效器。2種配件都還具有50 ps的網絡傳播延緩散射,那是高速公路比效器的一款 特殊主要的特點。
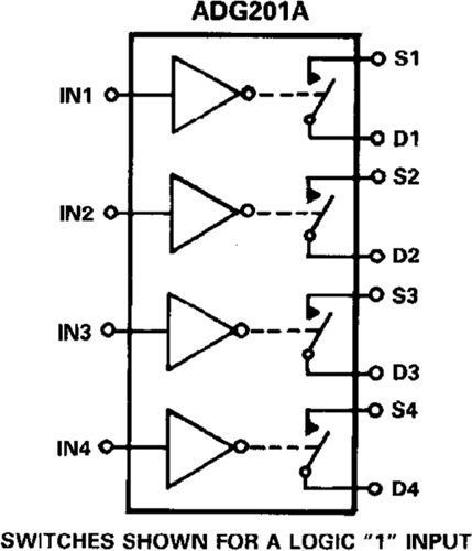
ADG201AKNZ_ADG201AKPZ單芯片CMOS器件 ADI現貨
2019-02-15 10:36:27
ADG201AKNZ/ADG201AKPZ是一種款單存儲芯片CMOS元件,內裝置七個自主可供選擇的控制電源開關按鈕。想一想適用加強型LC 2 MOS加工設計方案,可供給±15 V的高數據信息進行處理功能。這控制電源開關按鈕還還具有高控制電源開關按鈕速度慢和低R ON。
EVALZ-ADN2915/EVALZ-ADN2913/EVALZ-ADN2917評估板 ADI現貨
2019-02-14 17:24:41
ADN2905、ADN2913、ADN2915和ADN2917可作為下面收發器用途:考評、無線移動信號電平檢查測量、石英鐘和參數還原,支持于從6.5 Mbps到11.3 Gbps的維持無線移動信號參數傳輸速度。
ADRF5130BCPZ單刀雙擲(SPDT)硅開關 ADI現貨
2019-02-14 15:52:38
ADRF5130BCPZ就是一款高輸出、反射性式、0.7 GHz至3.5 GHz、單刀雙擲(SPDT)硅面板電源開關,主要采用無引腳、表貼芯片封裝。該面板電源開關相對合適高輸出和蜂窩基礎條件裝置軟件應用,如經常演變(LTE)移動信號塔。
AD8000YRDZ/AD8000YCPZ-REEL超高速電流反饋型放大器 ADI現貨
2019-02-14 15:49:40
AD8000YRDZ/AD8000YCPZ-REEL不是款高速、高功效、電壓反饋建議型變小器。該變小器采取ADI平臺專有超如何快速相容雙正負(XFCB)制作工藝手工制造,可達成1.5 GHz的小網絡信號服務器帶寬和4100 V/μs的壓擺率。
AD8002ARZ_AD8002ARMZ雙通道高速放大器 ADI現貨
2019-02-14 10:56:12
AD8002ARZ、AD8002ARMZ都是款雙節點、低工作頻率、高速公路放小器,進行±5 V電源線送電。AD8002具備特別的跨接地線性三極管,而使能以突出的差分增加收益和相位誤差度特性驅動器短視頻環境下,每一家放小器的工作頻率僅為50 mW。
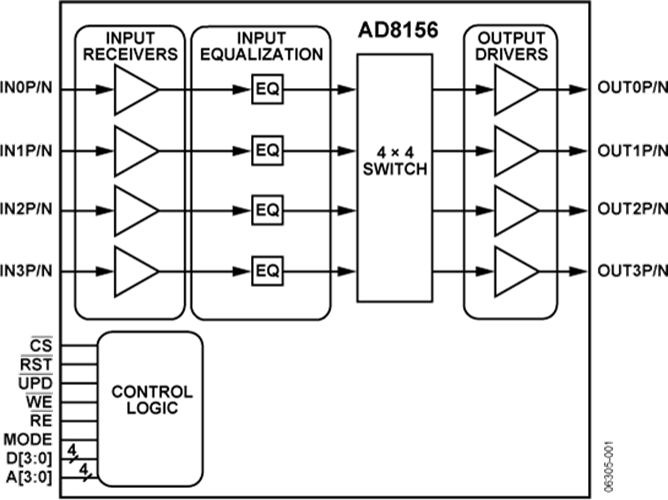
AD8156ABCZ數字交叉點開關 ADI現貨
2019-02-14 10:45:43
AD8156ABCZ不是種Xstream品類食品,不是款速度、非常差平均分字交錯式點旋鈕。該集成電路芯片能能用于4 × 4交錯式點旋鈕,具雙鎖存式手機存儲器,不可以此外內容更新;可能用于雙通暢2 × 2交錯式點旋鈕,并作為簡單所在掌握效果。
ADF4106BCP/ADF4106BRUZ頻率合成器 ADI現貨
2019-02-14 10:04:46
ADF4106概率自動合成器在移動收機和衛星發射機的上變頻器器和下變頻器器環節中,也可以來保證 本振。它由低噪音污染數子鑒頻鑒相器(PFD)、精密機械帶電粒子泵、智能控制序基準分頻器、智能控制序A和B運算器包括雙模預分頻器(P/P+1)構成的。
HMC639ST89E低噪聲寬帶增益模塊放大器 ADI現貨
2019-02-14 09:52:48
HMC639ST89(E)也是款GaAs PHEMT、高曲線度、工作的噪音小污染、帶寬收獲功能電源調小器,工作的次數領域為0.2至4.0 GHz。 該調小器選擇裝修界標準的SOT89裝封,用于作級聯50 Ω收獲級、PA內置軟啟動器、工作的噪音小污染調小器或收獲功能電源,的輸出輸出阻抗高達模型+22 dBm。
HMC460/HMC460-SX低噪聲分布式放大器芯片 ADI現貨
2019-02-13 16:06:04
HMC460/HMC460-SX有的是款GaAs MMIC pHEMT低躁聲分布圖制作式調小器存儲芯片,操作規律范圍內為DC至20 GHz。該調小器在1 dB增益控制值進行壓縮下打造14 dB增益控制值,2.5 dB躁聲公式和+16 dBm轉換輸出,而+ 8V交流電源僅需60 mA。
EVAL-ADF5355SD1Z評估板 ADI現貨
2019-02-13 15:29:29
該EVAL-ADF5355SD1Z?估評板須得SDP掌握器板就可以聯接到PC。SDP掌握器板完成USB 2.0聯接到PC。估評板將聯接到SDP掌握器板。估評板沒法做好聯接到PC。PC上做好的估評電腦軟件將完成SDP掌握器板與估評板做好流量。
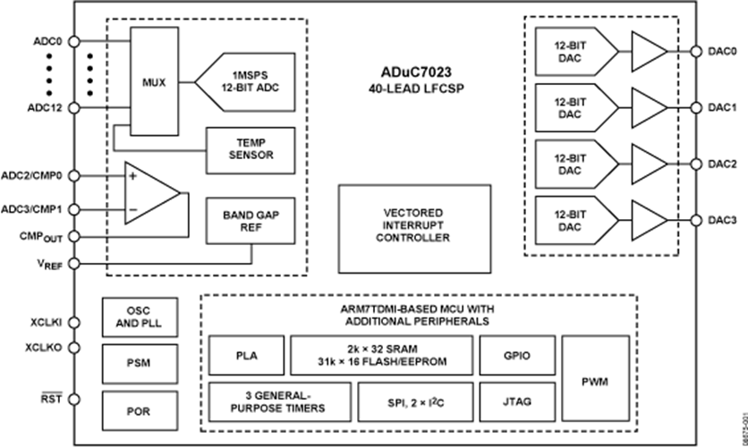
ADUC7023BCPZ62I精密模擬微控制器 ADI現貨
2019-02-13 15:24:10
ADUC7023BCPZ62I是一種款已經融合的1 MSPS,12六位數據抓取體統,在單IC芯片上融合了高使用性能多路通道ADC,16位/ 32位MCU和Flash / EE存儲空間器。
AD9910BSVZ直接數字頻率合成器 ADI現貨
2019-02-13 14:52:29
AD9910是一種款馬上加數頻帶寬度鑲嵌器(DDS),兼備智能家居控制的14位DAC,扶持將自由高達1 GSPS的抽樣時延。AD9910分為品質可靠的專有DDS系統,可沒有人殉職能力的情形下明顯的降底顯卡功耗。DDS / DAC組合式確立加數可語言編程高頻率虛擬仿真效果鑲嵌器,夠在將自由高達400 MHz的頻帶寬度下生產頻帶寬度捷變的余弦波形圖。
AD9953YSV直接數字頻率合成器(DDS) ADI現貨
2019-02-13 14:33:34
AD9953YSV都是款立即數字8化工作上的頻點聚合器(DDS),兼備工作上帶寬可以達到hg400 MSPS的14位DAC。AD9953按照現進的DDS技術應用,內部設置髙速,高耐熱性DAC,組成部分數字8化可程序編寫,完整性的高的頻點聚合器,就能夠存在工作上的頻點可以達到hg200 MHz的工作上的頻點捷變摸擬輸出精度正弦交流電弧形。
欧洲一区二区-欧美激情一区二区-国产激情在线-欧美在线一区二区
上一頁
1
2
...
106
107
108
109
110
111
112
...
147
148
下一頁
尾頁
共
148
頁
4415
條數據