AM07512041WN-SN-R/AM07512041WN-00-R功率放大器芯片 代理現貨
2019-02-20 14:36:54
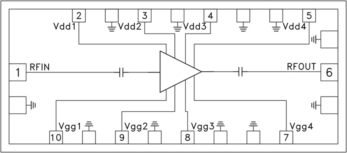
AMCOM平臺的AM07512041WN-SN-R/AM07512041WN-00-RIC芯片是一個款寬帶網氮化鎵MMIC馬力調小器。它在8.25至11.75GHz頻段兼有28dB的增加收益值和42dBm的所在馬力。AM7512041WN-SN-R選取瓷質芯片封裝,有卡箍和直rf射頻和直流電壓引線,中用放入式拆裝。它的增加收益值為27db,所在馬力為41dbm,在8.25至11.75GHz頻段。