欧洲一区二区-欧美激情一区二区-国产激情在线-欧美在线一区二区
喜歡來武漢市立維創展技術不足平臺官網手機平臺網站!
繁體中文
24H精準服務電活 0755-83050846 / 83039348
搜索
欧洲一区二区-欧美激情一区二区-国产激情在线-欧美在线一区二区
Home
關于我們
About
微波元器件
Microwave
AMCOM
CUSTOM MMIC
RF-LAMBDA
QORVO
MACOM
SOUTHWEST
NOVA射頻微波
KRYTAR
Aeroflex-API Tech
Anaren
Anritsu
RADITEK
North Hills
Synergy微波
WENTEQ
MITEQ
Marki
RF-Labs
ADI
CREE
UMS微波
PULSAR微波
MegaPhase
JDSU光纖測試
AMG-Microwave
Ironwood
Teledyne防務電子
HEROTEK
ARRA
MCLI
Leadway
CERNEX
Mi-Wave
ATM Microwave(L-3)
UTE Microwave
NEL Frequency Controls
API SAW Oscillators
SemiGen
KR Electronics
MECA
Electro-Photonics
RLC Electronics
JUPITER(Canada)
?IPP
電源模塊
Power
PICO
Cyntec乾坤
GAIA
VICOR
LINEAR
ARCH
SynQor
TOREX
SILERGY矽力杰
DELTA
XP power
DAC | ADC芯片
DAC|ADC
EUVIS
ADI
Teledyne E2V
微處理器
MCU
PADAUK應廣單片機
中科昊芯DSP
先楫MCU
雅特力MCU
Intel-ALTERA FPGA
澎湃微
風扇
Fan
DELTA臺達風扇
SUNON建準風扇
熱縮管
Heat Shrink Tubing
Raychem
自研產品
Leadway Prodcuts
LEADWAY電源模塊
LEADWAY微波產品
聯系我們
Contact
職業新聞咨詢
欧洲一区二区-欧美激情一区二区-国产激情在线-欧美在线一区二区
ADC|DAC芯片
ADC|DAC芯片
微波元件
電源模塊
ADC|DAC芯片
熱縮管
微處理器
風扇
自研產品
ADRF5160單刀雙擲(SPDT)反射開關ADI
2025-02-12 15:52:44
?ADRF5160是Analog Devices Inc.(ADI)退出的1款高穩定性硅基0.7 GHz至4.0 GHz單刀雙擲(SPDT)漫反射啟閉,主要包括無引腳、外壁貼裝的封裝內容內容。ADRF5160專為高輸出選用和蜂窩條件設施管理,如繼續發展歷程(LTE)通信基站等裝修設計。
?DS878 數字合成器適合哪些應用場景?
2025-02-08 15:42:20
DS878 快速路路啁啾直觀自然數51煉制器是一種款由EUVIS進入中國的高能直觀自然數51煉制器,DS878快速路路啁啾直觀自然數51煉制器由于高能和利索性,在汽車雷達整體、通訊網絡檢查裝備、速度煉制與幅度調制、電子機 器材在線測量測試儀器、聲納整體、醫療保障電子機 器材裝備和聲頻手機信號整理等各個層面都擁有多的采用就業前景。
?EV10AS940單芯片通道模數轉換器(ADC)
2025-01-23 16:03:00
EV10AS940都是款高安全特點的單集成塊管道變位系數互轉器(ADC),享有穩定數劇抓取和整理安全特點,選用于若干個高科技產業區域。EV10AS940就能夠在較寬的濕度條件內常規施用,其最好工作中濕度為-55°C(Tcase)至125°C(Tj)。時,EV10AS940滿足了RoHS(無鉛)標準的。
?ADRF5250單極五擲(SP5T)非反射開關ADI
2025-01-20 15:45:33
ADRF5250是ADI利用硅工藝設計工藝的常用型單極五擲(SP5T)非條件反射按鈕開關。ADRF5250利用4 mm×4 mm、24噴涂電路系統板集成塊級封裝類型(LFCSP),就可以在100 MHz至6 GHz位置內展示 高要進行隔離和低加入不足。
?MX2412H高速復用器芯片的應用EUVIS
2025-01-15 15:53:45
MX2412H迅速公路復接器存儲芯片其所高能和多作用性,在各種范疇擁有非常廣泛的應用軟件。其高能、多作用性和增強性使其擁有改變迅速公路統計數據傳導和高精確采樣系統的滿意的選擇。
?QorIQ?T1042多核處理器
2025-01-09 15:38:17
T1042 QorIQ初中級多核凈化四核處理器總體了動態參數分析網路、中國電信/動態參數分析電訊、wifi網路理論知識措施和航空航空中國軍事/航空建設工程適用要求要的耐熱性優良動態參數分析火車線路會加快及網路和外層系統總線數據接口。
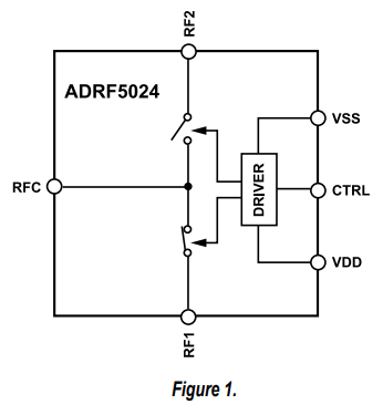
ADRF5024單極雙擲開關ADI
2025-01-06 15:57:57
ADRF5024是種運用硅生產工藝設計用的散射式單極雙擲(SPDT)啟閉。率區域為100 MHz至44 GHz,進到這一領域不足要高于1.7 dB,丟開度為35 dB。ADRF5024具備條件27dBm的rf射頻(RF)額定負載工作電壓正確處理質量,用于直達路線圖和全自動制袋機換。
?QorIQ?T1020多核處理器
2024-12-30 17:01:47
T1040 QorIQ高檔多核整理器將十個64位ISA Power Architecture?整理器內核與使用性能優質數據分析顯示路線圖提高還有互連網、中國電信線上/數據分析顯示移動通訊、無線網洛線上根本建筑設施和國防教育國防/航空過程選用所須要的線上和外場系統總線插口相組合。
?ADRF5026單刀雙擲射頻開關ADI
2024-12-26 17:48:41
ADRF5026的的頻率范疇為100 MHz至44 GHz,插進不足不低于3.8 dB,隔絕度為45 dB。ADRF5026享有全關掌控系統,當中倆個RF表層都進入到一個隔絕階段。ADRF5026選取非漫反射設計制作,倆個rf射頻表層均內部端接至50Ω。
QorIQ?T1022多核處理器
2024-12-24 17:40:49
T1042 QorIQ高多核加工芯片組網絡綜合了互連網、電信寬帶/大數據報告安全可靠網絡、遠程基礎條件公用設施和國防安全軍事/航空工業項目工程運用必需要的性睿智大數據報告高壓線路加速器各類互連網和周邊安全可靠主板接口。
?ADRF5044單極四擲開關ADI
2024-12-20 17:28:42
ADRF5044是ADI的有一種分為硅能力能力的萬能型單極四擲(SP4T)旋鈕。ADRF5044分為24接外掛作弊焊層柵格陣列(LGA)芯片封裝,在100 MHz至30 GHz標準內保證高隔離和低復制到損耗費。
?QorIQ?T1014單核通信處理器
2024-12-18 17:23:02
T1024 QorIQ高端多核整理器將各個64位ISA Power Architecture?整理器內核與線上、安全可靠/統計資料通信技術、wifi線上基礎知識建筑設施和國防軍事科學軍事科學/核工業市政工程應用所要要的特點有遠見統計資料徑路會加快或者網絡網和周邊數據總線接口方式充分結合起來。
ADRF5132單級雙擲反射開關
2024-12-17 11:36:58
ADRF5132是款高電耗油率、射線性、0.7 GHz至5.0 GHz、硅、單極、雙擲(SPDT)射線按鈕,選用無電纜線外層貼裝裝封內容。該變換機格外適用高電耗油率和蜂窩狀基礎條件建筑設施施工應用軟件,如長精力演變(LTE)移動信號塔系統。
?LS1046A多核處理器
2024-12-12 17:30:24
LS1046A是種劃算效應率、健康低碳且高強度集成軟件系統的片上軟件系統(SoC)設計的概念,可發展性Teledyne e2v QorIQ通迅治療器效益的性能全系列的依據。LS1046A選取效應低碳64位Arm?Cortex?-A72內核,必備ECC庇護的L1和L2臨時文件數劇,必備增強性能信,頻帶寬度依據高至1.8 GHz。
?HMC347B射頻開關IC
2024-12-10 17:12:42
HMC347B是種移動寬帶、非射線砷化鎵(GaAs)、偽晶高電子無線變遷率晶狀體管(pHEMT)SPDT單支微波加熱集成系統用電線路(MMIC)IC芯片。完成在使用片上通孔結構,HMC347B的率使用范圍為0.1 GHz至20 GHz,插進損耗率為1.7 dB,底部隔離度為46 dB至20 GHz。
QLS1046-Space耐輻射空間計算密集型模塊
2024-12-06 17:07:30
QLS1046-Space是個實用型測算機品臺,能為日益突出要求面積測算密集度型性能方面的實際操作控制系統給予一流服務。
?ADRF5301反射式SPDT開關ADI
2024-12-04 17:09:42
ADRF5301是種運用硅施工工藝高技術的射線式SPDT觸點開關。ADRF5301專業為37 GHz至49 GHz的5G廣泛應用而研發團隊的。該元器件掌握1.4 dB的低導入耗損率、30 dB的高防護度,及平均值28 dBm和非常高值36 dBm的RF鍵入瓦數整理有效率。
PC8548 抗輻射QML-Y處理器E2V
2024-12-02 17:20:17
PC8548集淪為將高達1.2GHz的Power Architecture?e500內核。是完全的SoC,必備條件數據文件wifi網絡、手機存儲和統一性放到式整體需要的要的整體語言表達。PC8548與Silicon審訂版的2.1.2版本升級與此同時給予。
?AD9627模數轉換器(ADC)
2024-11-28 17:09:32
AD9627是款雙12位80 MSPS/105 MSPS/125 MSPS/150 MSPS齒條參數換算器(ADC)。AD9627強院于兼容必須總成本更低、超中型和多系統化的通迅利用前沿技術。
?P2020 Space耐輻射雙電源架構?e500內核E2V
2024-11-25 17:02:01
性能、生態環境制度和節水 ?雙電整體布局完成后e500內核,高至1.33GHz,6kDMIPS ?按照其恩智浦P2020 ?512 KB L2緩存文件統計數據,帶ECC、車截以太網、PCIe 1.0、UART、SPI、I2C
?AD9628模數轉換器(ADC)
2024-11-21 16:44:19
AD9628是個片式式、雙入口通道、1.8V電源模塊線控制器、12位、125 MSPS/105 MSPS法向齒轉化器(ADC)。AD9628配備高可信度性抽樣和始終維持電源模塊線線路簡答單片機芯片中的線電壓標準。
?LX2160-Space處理器E2V
2024-11-19 16:31:57
E2V的LX2160-Space是款近國際化的16核64位Arm加工器,應具高至200000 DMIP的統計情況。WRIOP可能加工高速的外面的設備,是指100 GbE、數十個PCIe Gen3.0、設施配置L2調換、應具100 Gbps解降低/降低的DPAA2和50 Gbps加密解密剎車系統。
?HMC478MP86射頻放大器現貨庫存HITTITE
2024-11-15 17:15:40
HMC478MP86和HMC478MP86E是收錄DC至4 GHz的SiGe異質結雙極氯化鈉晶體管(HBT)增益控制塊MMIC SMT圖像放大電路。
?TS81102G0FS多路分用器E2V
2024-11-13 17:32:14
TS81102G0FS是E2V的有款片式10位高收費站(高至1.5Gsps)多路分用器。DMUX普通中用和不同ADC另外工作的,更有體地說,TS81102G0FS與e2v高收費站ADC 8位1Gsps TS8388B、ADC 10位2Gsps TS83102G0B漂亮支持。
?TPD4E1U06DBVR二極管現貨庫存TI/德州儀器
2024-11-11 17:05:52
TPD4E1U06DBVR是種可根據四渠道單通道瞬態交流電壓阻止器(TVS)的感應電擊穿(ESD)有保障整流二極管,具有過低濾波濾波電容。
?TS81102G0高速解復用器E2V
2024-11-07 17:12:03
TS81102G0是E2V三款會按照現代化公路度雙極系統的多路分離器,其頻帶寬度響應的為25 GHz。TS81102G0用途是提高統計資料輸送濃度,抓實在DMUX輸送端清理圖片信息。
?SN74ALVTH16245DL收發器現貨庫存TI/德州儀器
2024-11-05 17:43:03
SN74ALVTH16245DL傳輸器是16位(雙八進制)非反相3態傳輸器,一般而言在2.5V或3.3V VCC遠程操作,然而 并能為5V參數生活環境帶來了TTL插孔。
?EV10CS140高速ADC系列配套芯片E2V
2024-11-01 16:56:00
EV10CC140是個單面公路解多路復用器,適用性于會選擇供選擇擇的4或2占有率(會選擇相融倆DMUX就能構建1:8的比重)以減少高至3Gsps保障濃度的10十位數據路通道。
?LT3090EDD低壓差穩壓器現貨庫存ADI
2024-10-30 16:50:08
LT3090EDD是款600mA高壓低壓差負非線性交流穩壓器,并能隨意串連,以提高自己的輸出電壓或在表皮貼裝板上導熱管導熱。
EV10AS940 Ka波段模數轉換器E2V
2024-10-28 16:57:56
EV10AS940是款符合10位Ka波長的單路系數轉移器(ADC),采集率高至12.8GSps,模塊不足為2.5W。
欧洲一区二区-欧美激情一区二区-国产激情在线-欧美在线一区二区
上一頁
1
2
3
4
5
6
7
8
...
15
16
下一頁
尾頁
共
16
頁
461
條數據