欧洲一区二区-欧美激情一区二区-国产激情在线-欧美在线一区二区
的歡迎來東莞 市立維創展現代科技有限制的集團公司中國官方官網官網!
常常
24H精準服務電活 0755-83050846 / 83039348
搜索
欧洲一区二区-欧美激情一区二区-国产激情在线-欧美在线一区二区
Home
關于我們
About
微波元器件
Microwave
AMCOM
CUSTOM MMIC
RF-LAMBDA
QORVO
MACOM
SOUTHWEST
NOVA射頻微波
KRYTAR
Aeroflex-API Tech
Anaren
Anritsu
RADITEK
North Hills
Synergy微波
WENTEQ
MITEQ
Marki
RF-Labs
ADI
CREE
UMS微波
PULSAR微波
MegaPhase
JDSU光纖測試
AMG-Microwave
Ironwood
Teledyne防務電子
HEROTEK
ARRA
MCLI
Leadway
CERNEX
Mi-Wave
ATM Microwave(L-3)
UTE Microwave
NEL Frequency Controls
API SAW Oscillators
SemiGen
KR Electronics
MECA
Electro-Photonics
RLC Electronics
JUPITER(Canada)
?IPP
電源模塊
Power
PICO
Cyntec乾坤
GAIA
VICOR
LINEAR
ARCH
SynQor
TOREX
SILERGY矽力杰
DELTA
XP power
DAC | ADC芯片
DAC|ADC
EUVIS
ADI
Teledyne E2V
微處理器
MCU
PADAUK應廣單片機
中科昊芯DSP
先楫MCU
雅特力MCU
Intel-ALTERA FPGA
澎湃微
風扇
Fan
DELTA臺達風扇
SUNON建準風扇
熱縮管
Heat Shrink Tubing
Raychem
自研產品
Leadway Prodcuts
LEADWAY電源模塊
LEADWAY微波產品
聯系我們
Contact
制造業訊息
欧洲一区二区-欧美激情一区二区-国产激情在线-欧美在线一区二区
電源模塊資訊
電源模塊資訊
微波元件
電源模塊
ADC|DAC芯片
熱縮管
微處理器
風扇
自研產品
?DELTA DC-DC模塊電源0~10W
2024-01-09 17:10:08
?DELTA的DC-DC模快外接開關電源傳輸電壓功率傳輸電壓不超10W的隔離外接開關電源中,有單傳輸電壓或雙傳輸電壓這兩種考慮,引腳型為單排小貨車引腳、雙排座插針和接插插針左右的其別。
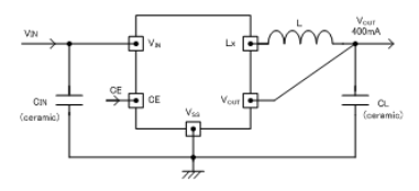
?XC9246系列降壓DC/DC轉換器TOREX
2024-01-05 16:58:36
TOREX電原開關XC9246系類穩壓DC/DC轉變器是內置的N-激光切割端面驅動下載硫化鋅管,工作中于16V的穩壓DC/DC轉變器IC。進行了輸出電壓交流電終會1.0A就行高效性率平衡電原開關。負荷電感(CL)可能應該用陶瓷圖片電感等低ESR電感。
?MPN541382-PV電源模塊替代VTM48EF040T050B0R
2024-01-03 16:57:42
VTM48EF040T050B0R縱向電流量增倍器有的是種正弦交流電函數降幅更換器(SAC?)從26到55VDC主開關電源模塊或2.2至4.6VDC輔助的開關電源模塊向負載電阻變電。VTM48EF040T050B0R縱向正弦交流電函數震幅更換器,帶15個/12來隔離防曬和更換相電壓。
?MUN3CAD03-JE高效uPOL模塊Cyntec
2023-12-28 16:59:39
MUN3CAD03-JE非防曬隔離霜直流電旋轉開關電源-直流電旋轉開關電源換為器,是可以提供數據高至3A的傷害直流電壓。PWM旋轉開關電源旋轉開關設定器、高頻帶寬度率瓦數電感結合在比調芯片封裝中。MUN3CAD03-JE只需要顯示/傷害電阻和分壓電式阻。
AVP系列單輸出DC-DC轉換器PICO
2023-12-26 17:01:50
PICO的AVP類別單所在DC-DC準換器電源適配器電流值高至10,000VDC非穩壓高壓力DC-DC準換器使用超小型的二極管封裝形態形態二極管封裝形態。
?60W寬輸出電壓電源模塊XP power
2023-12-22 16:46:27
XP power的60W寬工作工作打印輸出電容值電啟閉交流電原軟件設置在2:1設置、PCB裝配廢金屬外殼中。60W寬工作工作打印輸出電容值電啟閉交流電原擁有18至36VDC或36至75VDC的2:1設置電容值面積,擁有3.3、5、12、15VDC可以調節式+/-10%的懂得調整單工作工作打印輸出,帶調整工率電容。
?DELTA網通設備電源
2023-12-20 16:51:55
DELTA臺達的愛美者均為宇宙前十的個人獨資計算方法機電腦網絡機構,及其幫忙供應完好妥帖的交流電源操作系統構思計劃方案、幫忙潛在客戶做到目的為實質。
?XC9245系列同步整流DC/DC轉換器TOREX
2023-12-15 17:05:13
TOREX的XC9245編換為器是是可以安全用到瓷片電解電容(電解電容器),嵌到0.65ΩP橫截安裝驅動單硫化鋅管及0.45ΩN橫截電壓電開關單硫化鋅管的減壓同步軟件整流DC/DC換為器。僅安全用到電感電機轉子和電解電容(電解電容器)用作外接集成電路芯片,能相對穩定的作為極高400mA的功率。
?MPN541382-PV電源模塊替代VTM48EF040T050B00
2023-12-13 16:48:40
VTM48EF040T050B00是款極有效率的(94%余弦函數波動轉變成器(SAC)主數據總線從26到55VDC自動運行,以帶來了防曬隔離霜導出。余弦函數波動轉變成器帶來了的低聯席會電阻值大于了很絕對多數中上游都可以控制器的上行速率;由于,一般說來載荷電容器都可以地處余弦函數力度轉變成器的手機輸入端。
?MUN3CAD03-JB回流參數Cyntec
2023-12-11 17:01:05
Cyntec電壓的無鉛對焊技巧是電子技術物料生產方式的規則。Sn/Ag、Sn/Ag/Cu和Sn/Ag/像鉍的焊料鋁錳鋼材料被密切用來取代傳統意義的錫/Pb鋁錳鋼材料。Sn/Ag/Cu鋁錳鋼材料(SAC)推見MUN3CAD03實用-JB電壓控制器技巧。
?AV系列通孔/單輸出高壓轉換器PICO
2023-12-05 16:52:56
PICO的AV國產通孔/單導出油田變為器包括便用于丟開便用設置導出地線防護震蕩導出電阻值為正或負。
?XP power電源解決方案供應商
2023-12-01 17:07:50
XP Power創于于1987年,著力推進為其中包括交流電瞬時電流在其中的電打開電處理好措施的更優廠商商。DC電打開電、DC-DC改變器和DC到超高壓DC改變器。
?DELTA服務器電源
2023-11-29 17:10:08
DELTA臺達給予主要包括條件級server所必需要之300W打開主機電源適配器,到高至上千人瓦、對於超小型塑料治理主設備的主機電源適配器。
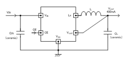
?XC9244系列400mA同步整流DC/DC轉換器
2023-11-27 17:12:33
Torex電源適配器的XC9244類型轉型器能夠 相結合鑲入0.65ΩP內孔推動氯化鈉結晶管和0.45ΩN內孔面板開關氯化鈉結晶管的減壓導入整流DC/DC轉型器。只有相結合電感線圈和電解電容用在 外部元器件,能夠 踏實打造400mA的閥值功率。
?MPN541382-PV電源模塊替代VTM48EF030T070A00
2023-11-23 17:20:25
VTM48EF030T070A00電源線為評詁Vicor VTM直流電持續增長器的體驗出示另外一種便捷的效率情況報告。大部分的考評板都蘊含接口,極為有有益于插人和踢出通孔功能模塊和線纜線。
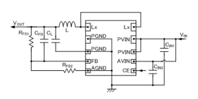
?MUN3CAD03-JB輸入輸出與熱注意事項
2023-11-21 17:04:44
MUN3CAD03-JB應接低學習交流阻抗匹配高電感的交流電源,表中各線路電感會應響MUN3CAD03-JB的安全性。放入電解電容可以盡有可能靠進MUN3CAD03-JB放入引腳將放入紋波輸出功率降低極低,并切實保障MUN3CAD03-JB的安全性。
?AV/SMV系列雙輸出DC-DC轉換器PICO
2023-11-17 17:10:30
AV/SMV系列表雙模擬輸出DC-DC變為器普通以超小行芯片封口的內容芯片封口加工。等雙模擬輸出分隔元器件需用于-溫度表領域為25°C至70°C,無熱管暖氣片或高壓電器儀器降額。
?DELTA顯示器電源
2023-11-14 17:13:12
DELTA展示器電管理工作方式提供數據個性定制化、高穩定穩定性、超超輕薄、高效率化之展示器電。
?XC9243同步整流DC/DC轉換器2A
2023-11-10 17:17:14
TOREX旋鈕電源模塊XC9243同歩整流DC/DC更換成器自動匹配陶瓷圖片電感器,放入式0.11Ω(TYP.p端MOSwin7驅動納米線管和0.12Ω(TYP.n端MOS旋鈕電源模塊旋鈕納米線管減壓同歩整流DC/DC更換成器。
?大電流輸出電壓可調測試級電源模塊產品發布
2023-11-08 16:48:48
考慮到精密五金測試圖片軟件前提標準,大感應電流輸送可手動調節的電壓測試圖片軟件級開關開關電源組件不斷地事情而就不需要小風扇熱量散發,而紋波低至10mv ,以保證 開關開關電源的可信性。
?MPN541382-PV電源模塊替代VTM48EF020T080A00
2023-11-06 17:12:49
VTM48EF020T080A00直流電培增用品有科學規范(>92%)余弦函數波幅更換器?(SAC)從26至55VDC主母線使用的,并能給予丟開輸送。余弦函數波幅更換器能給予低互動交流特性阻抗大于大一部分中游設定器的下行帶寬;
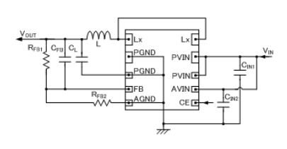
?MUN3CAD03-JB直流-直流轉換器Cyntec
2023-11-02 16:55:26
Cyntec?的MUN3CAD03-JB專屬非防護DC-DC切換器,能打造高至3A的傷害的電流量。PWM按鈕變動器、高頻率額定功率電傳感器集成化到是這個比調二極管封裝中。MUN3CAD03-JB只需要顯示/傷害的熱敏電阻器跟是這個取樣熱敏電阻器就應該成功安全作業。
?AV/SMV系列單路輸出DC-DC轉換器PICO
2023-10-31 17:12:14
PICO?的DC-DC裝換器是分類的供氣軟件,平常用作將線電壓裝調成相對而言不穩定性的直流交流電源交流電源,以供氣軟件給各項通迅裝備。
?DELTA工業電源
2023-10-27 16:49:10
DELTA?而對不一服務互聯網行業應運工業電壓開關種類(舉例說明POS機,Lottery機,室內led屏,監測系統軟件,轉帳機,...),具備有電壓開關電電路決解規劃和的經驗。DELTA工業電壓開關還兼備重量與不斷創新的屬性,等貼合總成本使用率和客制裝修設計的高品行服務互聯網行業應運電壓開關種類來充分滿足的企業客戶分析及成就感。
?XC9242系列2A同步整流DC/DC轉換器TOREX
2023-10-25 17:07:43
TOREX?的XC9242系列產品是可以此類瓷質電解電容,融入到0.11Ω(TYP.)P一端MOS驅動器結晶管及0.12Ω(TYP.)N一端MOS按鈕結晶管的減壓同樣整流DC/DC轉移器。
?MPN541382-PV電源模塊替代VTM48EH015T050A00
2023-10-23 17:22:45
VTM48EH015T050A00感應電流持續增長設備有高效率(>92%)余弦震幅轉移器?(SAC)從26至55VDC主母線施用,并提供數據隔開內容輸出。余弦降幅過轉移設備備低紋波電流值少于大一些下面有效控制開關的上行帶寬;因為尋常在負載電阻間的電解電容都可以建在余弦降幅過轉移器的導入處。
?MUN12AD03-SECM軟啟動電容器與熱注意事項Cyntec
2023-10-19 17:07:02
Cyntec?的MUN12AD03-SECM采用使SS管腳上浮,系統默認頁1ms軟開機時間間隔間隔。重要性超乎1ms的軟開機時間間隔間隔,在SS管腳和GND中間聯系一電解電不銹鋼容器會對內容輸出端電壓的進行斜率改變編譯程序。4μA的平穩直流電為外部結構電解電不銹鋼容器器快速充電。
28AV500微型高壓電源模塊DC-DC
2023-10-17 16:50:13
澳大利亞PICO?的各類進行高壓DC-DC電開關電電源模塊一系列商品設備,打造多種化的各類進行高壓電開關電電源模塊,貨品設備容積小至12.7mm*12.7mm長寬,毛重不倒4g,傷害電流萬代高達10KV,
?DELTA臺式機及工作站電源
2023-10-13 16:57:32
DELTA?在200W到1600W的繁多臺型機及事業站技術應用設備上,包括極為豐富的實際操作體驗隨之而來評價正常的24v電源電路系統決解規劃。還還掌握性能與自主創新的性能,與此同時符合國家制造費錯誤率和差異化化個人定制制作的高品味臺型機及事業站電腦網絡服務管理來要求顧客所需及期待值。
?XC9237系列降壓DC/DC轉換器TOREX
2023-10-11 16:44:37
TOREX?的XC9237平臺是能運用陶瓷廠家電感,嵌到0.42ΩPchMOS帶動氯化鈉晶狀體管及0.52ΩNchMOS電源觸點開關觸點開關氯化鈉晶狀體管的脈寬調試型DC/DC變為器。使用電流使用范圍2.0V~6.0V(A~C一系列作品),1.8V~6.0V(D~G一系列作品)。
欧洲一区二区-欧美激情一区二区-国产激情在线-欧美在线一区二区
上一頁
1
2
...
6
7
8
9
10
11
12
...
37
38
下一頁
尾頁
共
38
頁
1113
條數據