0300BB/0301BB/0010BB/0017CC/0700BB/0303LB巴倫變壓器 North Hills
2018-11-06 09:25:41
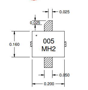
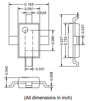
North Hills的0300BB/0301BB/0010BB/0017CC/0700BB/0303LB巴倫箱式變壓器,通常不同的用途1千赫茲- 125兆赫,由不靜態發展電機定子和中心的抽頭靜態發展電機定子組成的的靜態發展環,縱向傳送效率,一個角度適應。北山巴倫斯高精度建設工程低添加圖片和回波耗費。卓越的靜態發展是依據其內在軸對稱的結構設計來變現的。