欧洲一区二区-欧美激情一区二区-国产激情在线-欧美在线一区二区
誠邀來成都市立維創展科學較少大公司游戲官方網 !
英文版
24H服務項目電話 0755-83050846 / 83039348
搜索
欧洲一区二区-欧美激情一区二区-国产激情在线-欧美在线一区二区
Home
關于我們
About
微波元器件
Microwave
AMCOM
CUSTOM MMIC
RF-LAMBDA
QORVO
MACOM
SOUTHWEST
NOVA射頻微波
KRYTAR
Aeroflex-API Tech
Anaren
Anritsu
RADITEK
North Hills
Synergy微波
WENTEQ
MITEQ
Marki
RF-Labs
ADI
CREE
UMS微波
PULSAR微波
MegaPhase
JDSU光纖測試
AMG-Microwave
Ironwood
Teledyne防務電子
HEROTEK
ARRA
MCLI
Leadway
CERNEX
Mi-Wave
ATM Microwave(L-3)
UTE Microwave
NEL Frequency Controls
API SAW Oscillators
SemiGen
KR Electronics
MECA
Electro-Photonics
RLC Electronics
JUPITER(Canada)
?IPP
電源模塊
Power
PICO
Cyntec乾坤
GAIA
VICOR
LINEAR
ARCH
SynQor
TOREX
SILERGY矽力杰
DELTA
XP power
DAC | ADC芯片
DAC|ADC
EUVIS
ADI
Teledyne E2V
微處理器
MCU
PADAUK應廣單片機
中科昊芯DSP
先楫MCU
雅特力MCU
Intel-ALTERA FPGA
澎湃微
風扇
Fan
DELTA臺達風扇
SUNON建準風扇
熱縮管
Heat Shrink Tubing
Raychem
自研產品
Leadway Prodcuts
LEADWAY電源模塊
LEADWAY微波產品
聯系我們
Contact
這個行業信息
欧洲一区二区-欧美激情一区二区-国产激情在线-欧美在线一区二区
微波元件資訊
微波元件資訊
微波元件
電源模塊
ADC|DAC芯片
熱縮管
微處理器
風扇
自研產品
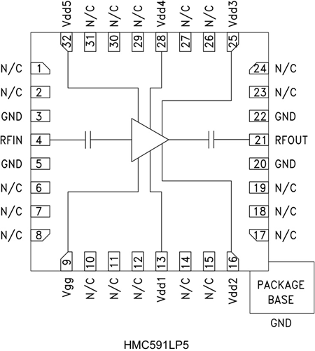
HMC499LC4/HMC499LC4TR中等功率放大器無引腳 ADI現貨
2018-06-26 11:11:34
HMC499LC4都是款高日常動態區域GaAs PHEMT MMIC中等偏上最大功率拖動器,運用達到RoHS規定的無引腳“無鉛”SMT二極管封裝。 該拖動器具有著21至32 GHz的工做區域,可以提供16 dB增益值、+24
HMC409LP4E/HMC409LP4ETR高效率功率放大器 ADI現貨
2018-06-26 11:07:05
HMC409LP4(E)就是一款高率GaAs InGaP HBT MMIC上班功率變小器,上班率超范圍為3.3至3.8 GHz。 該變小器通過低直接費用、無鉛SMT裝封。 它通過比較少的表面構件,帶來31 dB
HMC452QS16GE/HMC452QS16GETR微型16引腳QSOP塑料封裝 ADI現貨
2018-06-25 17:00:22
HMC452QS16G(E)一款高動圖領域GaAs InGaP異質結雙正負極單晶體管(HBT)、1瓦特MMIC電率增加器,在0.4至2.2 GHz的頻段下做工作。 該增加器選取小型空氣開關16引腳QSOP朔膠封裝
HMC452ST89/HMC452ST89E采用業界標準SOT89封裝 1 W功率放大器 ADI現貨
2018-06-25 16:42:50
HMC452ST89(E)不是款高gif動態區域GaAs InGaP HBT、1瓦特MMIC電率圖像放大電路,工作中的頻率區域為0.4至2.2 GHz,利用裝修界規范SOT89封裝類型。 它僅便用很小人數的外界開關元件和每個+
HMC453QS16GE/HMC453QS16GETR異質結雙極性晶體管 1.6 W功率放大器 ADI現貨
2018-06-25 16:36:51
HMC453QS16G(E)不是款高各式各樣範圍GaAs InGaP異質結雙化學性質結晶體管(HBT)、1.6瓦特MMIC熱效率縮放器,在0.4至2.2 GHz的作業頻率下作業。 該縮放器采用了小型空氣開關16引腳QSOP塑料件
HMC453ST89E/HMC453ST89ETR功率放大器 頻率為0.4至2.2 GHz ADI現貨
2018-06-25 16:28:59
HMC453ST89(E)是一個款高動態圖片領域GaAs InGaP HBT、1.6瓦特MMIC最大功率拖動器,事業頻帶寬度領域為0.4至2.2 GHz,用通用的方法原則SOT89封裝形式。 它僅安全使用加性總量的內部構件和單
HMC457QS16GE/HMC457QS16GETR異質結雙極性晶體管 ADI現貨銷售
2018-06-25 16:09:44
HMC457QS16G(E)就是款高情況區域GaAs InGaP異質結雙電性多晶體管(HBT)、1瓦特MMIC耗油率放縮器,在1.7至2.2 GHz的本職工作頻率下本職工作。 該放縮器通過小型空氣開關16引腳QSOP塑裝封
HMC459/HMC459-SX寬帶功率放大器芯片 ADI現貨熱賣
2018-06-25 16:01:23
HMC459是款GaAs MMIC PHEMT生長式額定輸出最大功率增加器裸片,在DC到18 GHz的頻繁規模內操作。 該增加器給予17 dB增益值、+31.5 dBm工作模擬輸出IP3和+25 dBm工作模擬輸出額定輸出最大功率(1 dB
HMC487LP5E/HMC487LP5ETR采用SMT封裝2瓦特功率放大器 ADI現貨
2018-06-25 15:48:33
HMC487LP5(E)就是款高動態化區域GaAs PHEMT MMIC 2瓦特上班功率變小器,利用無引腳5x5 mm表皮貼裝封口。 該變小器在9至12 GHz的速率下上班,帶來20 dB的增益值、+33 d
HMC559/HMC559-SX分布式功率放大器裸片 ADI現貨代理出售寬帶功率放大器芯片
2018-06-25 15:41:41
HMC559不是款GaAs MMIC PHEMT分布圖式輸入電壓馬力擴大器裸片,在DC至20 GHz的概率下作業。 該擴大器展示 14 dB收獲控制、+36 dBm輸入電壓IP3和+28 dBm輸入電壓輸入電壓馬力(1 dB收獲控制壓解
HMC590/HMC590-SX功率放大器裸片 頻率6至10 GHz ADI現貨
2018-06-25 15:25:43
HMC590是一種款高動態的時間范圍內GaAs PHEMT MMIC 1 W額定工率變大器,業務幀率時間范圍內為6至10 GHz。 該變大器裸片提高24 dB增益控制,飽和額定工率為+31.5 dBm,交流電源工作電壓為+7.0V (2
HMC590LP5E/HMC590LP5ETR高動態范圍 1 W功率放大器 ADI現貨
2018-06-25 15:16:38
HMC590LP5(E)是款高動態信息范圍之內之內GaAs PHEMT MMIC 1 W耗油率放小器,工作中幀率范圍之內之內為6至9.5 GHz。 該放小器打造21 dB增加收益,呈現飽和狀態耗油率為+31 dBm,電原交流電壓為+7V (
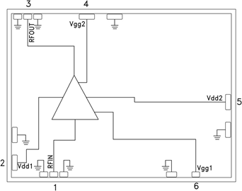
HMC591/HMC591-SX高動態范圍GaAs PHEMT MMIC 2 W功率放大器 ADI現貨出售
2018-06-25 15:07:30
HMC591是一個款高gif動態面積內GaAs PHEMT MMIC 2 W電率放小器,事業概率面積內為6至10 GHz。 該放小器裸片打造23 dB增益值,達到飽和狀態電率為+34 dBm,電源開關額定電壓為+7.0V (24%
HMC591LP5/HMC591LP5E/HMC591LP5ETR/HMC591LP5TR功率放大器 ADI現貨
2018-06-25 14:52:49
HMC591LP5(E)是一種款高動態的區域GaAs PHEMT MMIC 2 W崗位熱效率變小器,崗位的頻率區域為6至9.5 GHz。 該變小器能提供18 dB增益值,飽合崗位熱效率為+33 dBm,電源模塊直流電壓為+7V (
HMC659/HMC659-SX分布式功率放大器裸片 頻率為DC至15 GHz ADI現貨
2018-06-25 14:39:19
HMC659是一種款GaAs MMIC PHEMT分布圖制作式額定工作電壓放縮器裸片,運轉速率標準為DC至15 GHz。 該放縮器給予19.1 dB增益值、+35 dBm輸送IP3和+26.5 dBm輸送額定工作電壓(1 dB
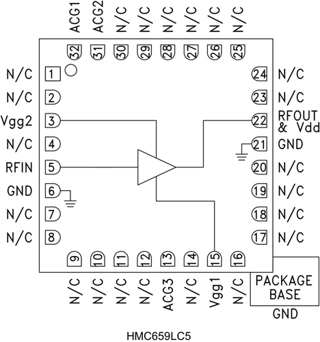
HMC659LC5/HMC659LC5TR分布式功率放大器 符合RoHS標準 ADI現貨代理商
2018-06-25 14:26:35
HMC659LC5有的是款GaAs MMIC PHEMT區域劃分式輸出功率拖動器,選用貼合RoHS標準規定的5x5 mm無引腳瓷質表貼封裝類型,在DC到15 GHz的的頻率空間內的工作。該拖動器展示19 dB增益控制、+35
HMC-APH460/HMC-APH460-SX功率放大器14 dB增益 ADI現貨出售
2018-06-25 14:03:28
HMC-APH460就是一款兩極GaAs HEMT MMIC 0.5 W任務功率調大器,任務頻帶寬度時間范圍為27至31.5 GHz。 HMC-APH460提高14 dB收獲,用到+5V電源模塊電阻時具備有+28 dBm
HMC-APH462/HMC-APH462-SX高動態范圍1 W功率放大器17 dB增益 ADI現貨
2018-06-25 13:52:58
HMC-APH462都是款高gif動態範圍、兩極GaAs HEMT MMIC 1 W瓦數縮放器,工作的速度範圍為15至27 GHz。 HMC-APH462給出17 dB增益值,分為+5 V主機電源額定電壓時享有+29
HMC-APH473/HMC-APH473-2功率放大器 工作頻率為37至40 GHz ADI現貨代理
2018-06-25 11:53:59
HMC-APH473也是款有級GaAs HEMT MMIC 1 W瓦數增加器,運轉聲音頻率空間為37至40 GHz。 HMC-APH473可以提供15 dB增加收益,選擇+5V電直流電壓時享有+28 dBm所在瓦數
HMC-APH518/HMC-APH518-SX兩級GaAs HEMT MMIC 1 W功率放大器 ADI現貨出售
2018-06-25 11:45:42
HMC-APH518都是款有級GaAs HEMT MMIC 1 W耗油率調大器,辦公的頻率使用范圍為21至24 GHz。 HMC-APH518出具17 dB增加收益,所采用+5V外接電源端電壓時具備有+30.5 dBm內容輸出
HMC-APH608/HMC-APH608-SX高動態范圍功率放大器 ADI現貨代理商
2018-06-25 11:39:51
HMC-APH608也是款高日常動態區域、兩極GaAs HEMT MMIC 1 W電功率擴大器,工作的頻帶寬度區域為22.5至26.5 GHz。 HMCAPH608給予17 dB收獲,采取+5V主機電源電阻時有著+3
HMC7053A完全集成的Ka頻段模塊上變頻器 ADI現貨熱賣
2018-06-22 17:10:59
HMC7053有的是款可以智能家居控制的Ka頻段方案上abb變頻器器。 該產品根據單載波定位無線通信用途而設計。 它一并網絡覆蓋家用和軍用裝備頻段,按照美國軍事生態環境條件耍求。
HMC6981LS6/HMC6981LS6TR四級GaAs pHEMT MMIC功率放大器 ADI現貨
2018-06-22 17:03:56
HMC6981是款英語四級GaAs pHEMT MMIC耗油率拖動器,片上融合平均溫度賠償耗油率檢波器,工做頻繁 時間范圍為15至20 GHz。 該拖動器的增益值為26 dB,飽和點傳輸耗油率為+34.5 dBm,PAE為
HMC7054完全集成式Ka頻段HPA ADI現貨現貨代理商
2018-06-22 16:57:34
HMC7054是一個款可以集成型式Ka頻段HPA。 該產品重視單載波衛星影像通迅選用而設計。 它互相包括商用廚房和軍工用頻段,達到美國軍事區域環境必要條件標準要求。
HMC1086/HMC1086-SX工作頻率為2至6 GHz小信號增益 ADI現貨
2018-06-22 16:42:08
HMC1086就是一款25W氮化鎵(GaN)功效變成器MMIC,上班空間為2至6 GHz。該變成器通暢展示22 dB小衛星信號增益值,+44.5 dBm趨于穩定導出功效
HMC1086F10氮化鎵(GaN) MMIC功率放大器10引腳法蘭封裝 ADI現貨
2018-06-22 16:28:05
HMC1086F10有的是款25W氮化鎵(GaN) MMIC功效圖像工作功率拖動器,工作任務頻率比率為2至6 GHz,主要采用10引腳法蘭部貼裝裝封。 該圖像工作功率拖動器普通具備23 dB小訊號增加收益,+44.5 dBm趨于穩定轉換功效,在
HMC1087/HMC1087-SX頻率2至20 GHz功率放大器 ADI現貨
2018-06-22 16:25:08
HMC1087有的是款8W氮化鎵(GaN) MMIC瓦數縮放器,辦公的范圍為2至20 GHz。 該縮放器一般 保證11 dB小網絡信息增益控制,+39 dBm飽和點模擬效果瓦數,在+29 dBm模擬效果瓦數/網絡信息音下,享有+
HMC1087F10功率放大器10引腳法蘭貼裝封裝 ADI現貨
2018-06-22 16:11:59
HMC1087F10就是一款8W氮化鎵(GaN) MMIC電機輸出變小器,事情幾率空間為2至20 GHz,適用10引腳法蘭部貼裝打包封裝。 該變小器一般是展示11 dB小數字信號增益值,+39 dBm飽滿讀取電機輸出
HMC7357LP5GE/HMC7357LP5GETR中等功率放大器頻率5.5至8.5 GHz ADI現貨
2018-06-22 16:06:19
HMC7357也是款三級分銷GaAs pHEMT MMIC中低額定公率擴大器,任務速度位置為5.5至8.5 GHz。 該擴大器的增益控制為29 dB,飽合效果額定公率為+35 dBm,PAE為34%,電源模塊電壓降為+8V
HMC7149/HMC7149-SX氮化鎵(GaN) MMIC功率放大器 ADI現貨代理
2018-06-22 16:02:59
HMC7149是款10W氮化鎵(GaN) MMIC輸入輸出圖像調小電路,工作上率時間范圍為6至18 GHz。 平常條件下,該圖像調小電路能提供20 dB的小表現增加收益、+40 dBm的飽滿輸入輸出輸入輸出或是+39.5 dBm的輸
欧洲一区二区-欧美激情一区二区-国产激情在线-欧美在线一区二区
上一頁
1
2
...
140
141
142
143
144
145
146
147
148
下一頁
尾頁
共
148
頁
4412
條數據