HMC339/HMC339-S放大器X芯片次諧波混頻器 ADI現貨
2018-07-06 13:54:32
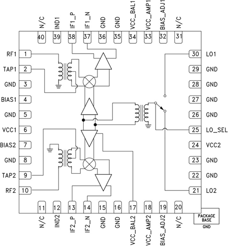
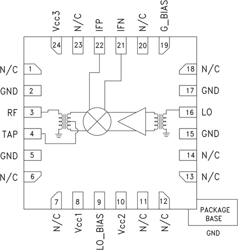
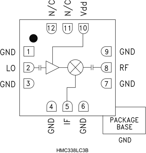
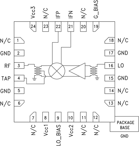
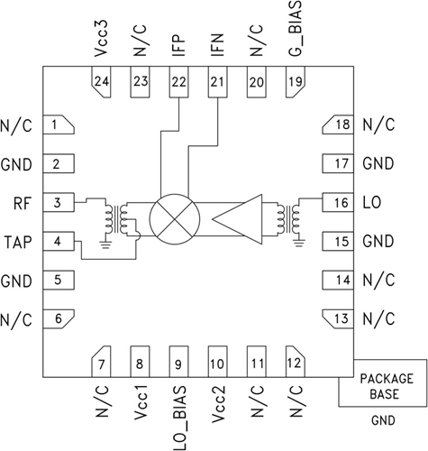
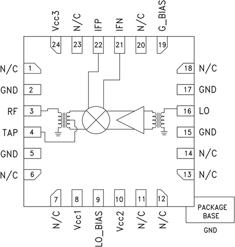
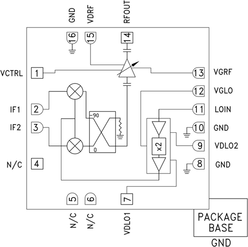
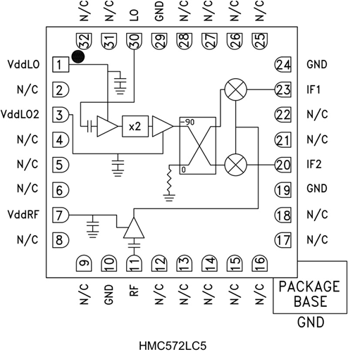
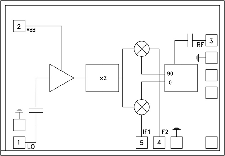
HMC339智能家居控制電路IC單片機芯片一款智能家居控制LO變小器的次諧波(x2) MMIC混頻器,能用的 作上直流變頻空調式器或下直流變頻空調式器。 該智能家居控制電路IC單片機芯片通過GaAs PHEMT技木,智能家居控制電路IC單片機芯片整體布局體積為1.07mm2。 2LO至RF隔開特點出彩,不能不雙倍濾波。 LO變小器適用單偏置(+3V至+4V)冷凝機組裝修設計,僅需+2 dBm的標稱驅動安裝。