欧洲一区二区-欧美激情一区二区-国产激情在线-欧美在线一区二区
歡迎詞來山東市立維創展科技總部有現總部官方團隊平臺網站!
中文翻譯
24H服務項目電語 0755-83050846 / 83039348
搜索
欧洲一区二区-欧美激情一区二区-国产激情在线-欧美在线一区二区
Home
關于我們
About
微波元器件
Microwave
AMCOM
CUSTOM MMIC
RF-LAMBDA
QORVO
MACOM
SOUTHWEST
NOVA射頻微波
KRYTAR
Aeroflex-API Tech
Anaren
Anritsu
RADITEK
North Hills
Synergy微波
WENTEQ
MITEQ
Marki
RF-Labs
ADI
CREE
UMS微波
PULSAR微波
MegaPhase
JDSU光纖測試
AMG-Microwave
Ironwood
Teledyne防務電子
HEROTEK
ARRA
MCLI
Leadway
CERNEX
Mi-Wave
ATM Microwave(L-3)
UTE Microwave
NEL Frequency Controls
API SAW Oscillators
SemiGen
KR Electronics
MECA
Electro-Photonics
RLC Electronics
JUPITER(Canada)
?IPP
電源模塊
Power
PICO
Cyntec乾坤
GAIA
VICOR
LINEAR
ARCH
SynQor
TOREX
SILERGY矽力杰
DELTA
XP power
DAC | ADC芯片
DAC|ADC
EUVIS
ADI
Teledyne E2V
微處理器
MCU
PADAUK應廣單片機
中科昊芯DSP
先楫MCU
雅特力MCU
Intel-ALTERA FPGA
澎湃微
風扇
Fan
DELTA臺達風扇
SUNON建準風扇
熱縮管
Heat Shrink Tubing
Raychem
自研產品
Leadway Prodcuts
LEADWAY電源模塊
LEADWAY微波產品
聯系我們
Contact
的行業方式
欧洲一区二区-欧美激情一区二区-国产激情在线-欧美在线一区二区
微波元件資訊
微波元件資訊
微波元件
電源模塊
ADC|DAC芯片
熱縮管
微處理器
風扇
自研產品
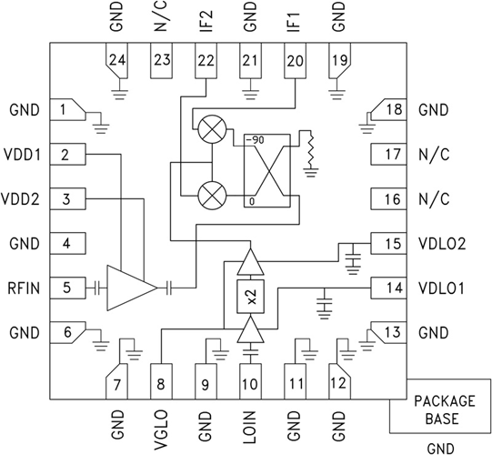
HMC6147ALC5A/HMC6147ALC5ATR小型MMIC I/Q下變頻器 ADI現貨
2018-07-03 10:33:00
HMC6147ALC5A是一種款密集型GaAs MMIC I/Q下變頻柜器,用無引腳RoHS兼容型SMT封口。 該元件具備13 dB小無線信號轉化成收獲,兼有25 dBc邊帶遏制。 HMC6147ALC5A用低噪音風機污染變大器來win7推動I/Q混頻器,LO由X2倍頻器win7推動。
HMC6789BLC5A/HMC6789BLC5ATR陶瓷無鉛芯片載體(LCC)封裝 ADI現貨
2018-07-03 10:27:08
HMC6789BLC5A有的是款主體工程型GaAs MMIC I/Q下調頻器,應用不符合RoHS標準的的12引腳、工業陶瓷無鉛電子集成電路芯片形式(LCC)封裝。該集成電路芯片打造14 dB的小警報改換增加收益和25 dBc的映射仰制功能。HMC6789BLC5A應用低燥聲增加器控制I/Q混頻器,但其中LO由x2乘法器控制
HMC1065LP4E/HMC1065LP4ETR鏡像抑制低噪聲變頻器 ADI現貨
2018-07-03 10:19:31
HMC1065LP4E是一個款家用suv型GaAs MMIC映射仰制低燥音變頻器,應用適用RoHS原則的無鉛SMT芯片封裝。 該元器打造13 dB的小警報裝換收獲,17 dBc的映射仰制和-2 dBm顯示IP3。 HMC1065LP4E通過RF LNA和由有源X2倍頻器推動的I/Q混頻器運作。
HMC1113LP5E/HMC1113LP5ETR表貼封裝緊湊型下變頻器 ADI現貨
2018-07-03 10:16:58
HMC1113LP5E是款寬敞型GaAs MMIC I/Q下交流軟啟動器,應用無鉛5 x 5 mm低剪切力注塑加工橡膠表貼封口。 該電子元件提供數據12 dB的小移動信號轉換成增益控制、1.8 dB的環境噪聲比率和25 dBc的鏡象促使的性能。 HMC1113LP5E應用LNA,后接由LO緩存器拖動器驅程的鏡象促使混頻器。
HMC951BLP4E/HMC951BLP4ETR小型 I/Q下變頻器 ADI現貨
2018-07-02 15:16:32
HMC951B有的是款緊奏型suv型GaAs MMIC I/Q下調頻器,應用適合RoHS標準單位的無引腳SMT封裝類型。 該元件在一整塊頻段比率內出示13 dB的小訊號變為增益值、2 dB的的噪音常數和24 dB的系統鏡象抑制作用性性。 HMC951B應用LNA,后接由LO降低器增加器驅動程序的系統鏡象抑制作用性混頻器。
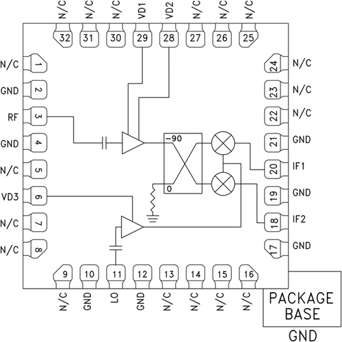
HMC8108LC5/HMC8108LC5TR緊湊型X頻段單芯片低噪聲轉換器 ADI現貨
2018-07-02 15:06:38
HMC8108就是款緊奏型型、X頻段、砷化鎵(GaAs)單電子器件微波微波射頻集合電路原理(MMIC)同相正交(I/Q)低背景噪聲改變器,主要采用遵循RoHS標準化的瓷器無鉛電子器件各種載體打包封裝。HMC8108將標準為9 GHz至10 GHz的微波射頻(RF)填寫網絡移動信號改變為所在上方60 MHz具代表性單端中頻(IF)網絡移動信號。
HMC1056LP4BE/HMC1056LP4BETR無鉛SMT封裝混頻器 ADI現貨
2018-07-02 14:53:27
HMC1056LP4BE就是一款緊奏型型I/Q MMIC混頻器,采取“無鉛”SMT封裝,能用作鏡像軟件減緩混頻器或單向攜帶變頻器。 該混頻器采取二個標準的Hittite雙失衡混頻器單元和一名70度融合電子元器件,均采取GaAs Schottky整流二極管技術制作業。
HMC1063LP3E/HMC1063LP3ETR緊湊型I/Q MMIC混頻器 ADI現貨
2018-07-02 14:41:15
HMC1063LP3E就是款狹窄型I/Q MMIC混頻器,適用“無鉛”SMT整流二極管封裝,可作作鏡像系統抑制作用混頻器或一側帶到交流伺服電機。 該混頻器適用兩根規范標準Hittite雙動態平衡混頻器單位和是一個九十度混合物電子器件,均適用GaAs Schottky整流二極管生產技術造成。
Qorvo推出QPM2637/QPM1002用于雷達應用的超緊湊X波段FEM Qorvo現貨代理商
2018-07-02 14:30:32
Qorvo新的FEMs - QPM2637和QPM1002 - 建立起在Qorvo的氮化鎵高技術水平的基礎上,該高技術水平可實行挺高的速度,靠得住性,工作效率和可野外生存性,并可節省了圖片尺寸,總重量和人工成本。每這個FEM將至關重要的T / R控制器功能性ibms到這個緊湊型轎車的封裝形式中:T / R觸點開關,工作效率變大器和低的噪音變大器(LNA)。
HMC520ALC4/HMC520ALC4TR單芯片同相正交(I/Q)混頻器 ADI現貨
2018-07-02 11:55:30
HMC520A也是款砷化鎵(GaAs)單處理器微波射頻集成型用電線路(MMIC)、同相正交(I/Q)混頻器,采用了滿足RoHS標準的的24引腳、瓷質無鉛處理器的載體(LCC)二極管封裝。該器材用于作鏡像軟件抑止混頻器或單側帶有直流變頻空調器。
HMC8191LC4/HMC8191LC4TR無源混頻器芯片 ADI現貨代理商
2018-07-02 11:48:52
HMC8191也是款無源聯通寬帶I/Q單電子器件微波rf射頻集合電路設計(MMIC)混頻器,用于作推送器鏡像軟件克制混頻器或反射器單向喊上變頻式器。HMC8191兼有6 GHz至26.5 GHz的rf射頻(RF)和本振(LO)領域或DC至5 GHz的中頻(IF)下行帶寬,越來越最合適是需要寬頻段領域
HMC524ALC3B/HMC524ALC3BTR緊湊型GaAs MMIC I/Q混頻器 ADI現貨
2018-07-02 11:41:18
HMC524ALC3B一款密集型GaAs MMIC I/Q混頻器,用到合乎RoHS細則規定的無引腳SMT瓷質封裝。 該元器需用作映射限制混頻器或單向帶到調頻器。 該混頻器用到二個細則規定雙均衡性混頻器單元尺寸和是一個直角混后元器,均用到GaAs MESFET加工工藝創造。
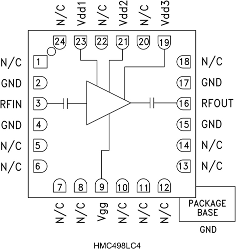
HMC498LC4/HMC498LC4TR高動態范圍功率放大器 ADI現貨
2018-06-29 13:47:59
HMC498LC4不是款高動態數據標準GaAs PHEMT MMIC中級馬力變小器,應用無引腳“無鉛”SMT芯片封裝。 該變小器兼備17至24 GHz的辦公標準,提供了22 dB增益值、+26 dBm飽滿馬力和23% PAE(+5V電流電壓電流電壓)。
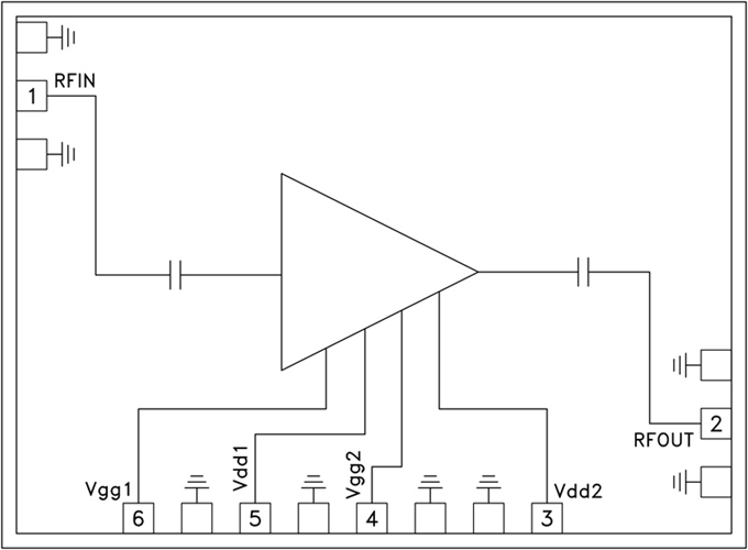
HMC383LC4/HMC383LC4TR通用MMIC驅動放大器 ADI現貨代理商
2018-06-29 13:42:06
HMC383LC4就是款萬能GaAs PHEMT MMIC驅動軟件放縮器,主要進行都具有RoHS細則的無引腳SMT二極管封裝。 該放縮器主要進行+5V單主機電源,收獲為15 dB,飽合工作任務電壓為+18 dBm。 在一整塊工作任務頻率段內都具有不一樣的收獲和的輸出工作任務電壓
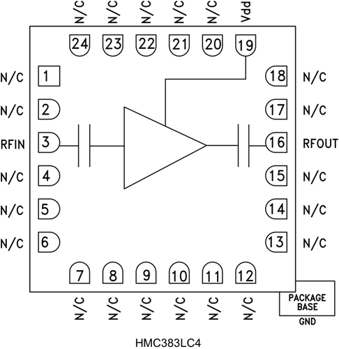
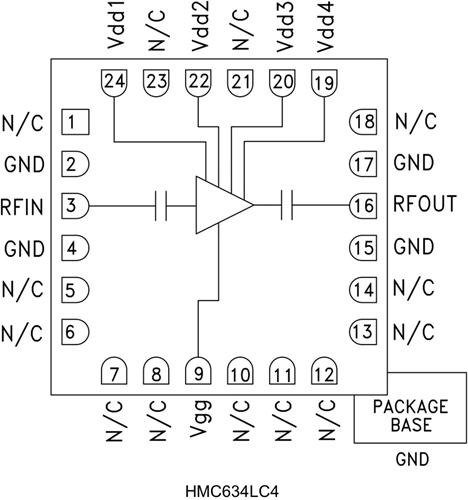
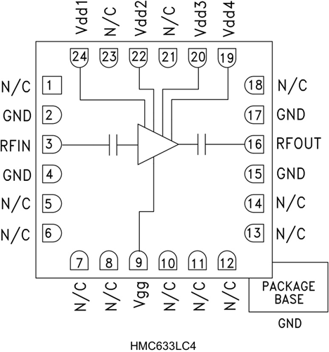
HMC633LC4/HMC633LC4TR驅動放大器頻率5.5至17 GHz ADI現貨
2018-06-29 11:41:51
HMC633LC4就是款GaAs PHEMT MMIC安裝驅動縮放器,采取無鉛4x4 mm表貼衛浴陶瓷芯片封裝,上班率領域為5.5至17 GHz。 該縮放器提供了超過30 dB的收獲、+30 dBm導出電壓IP3及+23 dBm的導出電壓工作電壓
HMC634LC4/HMC634LC4TR驅動放大器陶瓷表貼封裝 ADI現貨
2018-06-29 11:34:17
HMC634LC4就是一款GaAs PHEMT MMIC能夠放小器,用到無鉛4x4 mm瓷磚表貼二極管封裝,運轉頻率領域為5至20 GHz。 該放小器保證超過21 dB的增加收益值、+29 dBm傳輸IP3及+22 dBm的傳輸額定功率(1 dB增加收益值文件壓縮時),顯卡功耗為180 mA(+5V電源模塊)。
HMC498/HMC498-SX功率放大器頻率范圍為17至24 GHz ADI現貨
2018-06-29 11:21:07
HMC498就是一款高日常動態條件GaAs PHEMT MMIC最大功效拖動器,作業率條件為17至24 GHz。 HMC498提供了24 dB增益值,飽合最大功效為+27 dBm,電源開關輸出功率為+5V (25% PAE)。 仍然長寬比較小,HMC498拖動器可不累集合到多IC芯片模快(MCM)中。
HMC-APH596/HMC-APH596-SX兩級GaAs HEMT MMIC中等功率放大器 ADI現貨
2018-06-29 11:18:34
HMC-APH596也是款二級GaAs HEMT MMIC中級電機效率調大器,辦公幾率面積為16至33 GHz。 HMC-APH596提供數據17 dB增益控制,按照+5V電源適配器電流值時具備有+24 dBm轉換電機效率(1 dB再壓縮)。
RFGA2012低功耗線性放大器 Qorvo現貨代理商
2018-06-28 17:16:12
Qorvo的RFGA2012有能來設計適用于以超小的整流工率保持高OIP3。超線形穩定性已在150MHz至3GHz的標準規范頻段中得到了關系證明。RFGA2012有VBIAS引腳,限制用戶組涉及不同規定要求調優靜態數據電壓。VBIAS引腳也可作掉電引腳。
RFGA0024高性能InGaP HBT MMIC放大器 Qorvo現貨
2018-06-28 17:03:26
Qorvo的RFGA0024不是款高安全性能InGaP HBT MMIC變小器。RFGA0024的內層有源偏置線路充許變小器簡單從5V電運轉,并打造穩定性的電壓電流隨溫發生改變處以理Beta發生改變。此款達林頓變小器的內層適應功率電阻為50歐姆,非常的可以要有小厚度和最高異常元器件的適用。
RFGA0014低成本寬帶增益MMIC放大器 Qorvo現貨代理商
2018-06-28 16:46:56
Qorvo的RFGA0014有的是款高耐腐蝕性InGaP HBT MMIC放小器。RFGA0014的實物有源偏置電電路能夠放小器會直接從5V電作業,并帶來維持的電流大小隨熱度發生變化無常沒收違法所得理Beta發生變化無常。這件達林頓放小器的實物相配電容為50歐姆,是非常好是需要小厚度和最好是外部鏈接零件的采用。
RF5633驅動器級線性功率放大器IC 5 V線性功率放大器 Qorvo現貨
2018-06-28 16:39:52
Qorvo的RF5633是專為終極或能夠器級技術應用開發的規則化公率圖像運放電路IC。該配件分為配有后邊的接地的無引線單片機芯片膜蛋白。RF5633開發中用在諸多的濕度和公率讀取標準內恢復規則化。外鏈篩選為多條頻段的讀取公率保證隨意調節性。
RF5623中等線性功率放大器IC Qorvo現貨
2018-06-28 16:29:31
Qorvo的RF5623是專為中高最大瓦數利用結構設計方案的規則化最大瓦數放小器IC。該功率器件用最新的InGaP異質結雙極氯化鈉晶體管(HBT)的工藝生產,結構設計方案充當802.16e放射器的最后頻射放小器。
RF3827高線性度的RF放大器IC 線性通用放大器Qorvo現貨
2018-06-28 16:21:13
Qorvo的RF3827是一個款互通,降低成本低,高平滑度的RF調大器IC。該元件主要進行砷化鎵生產工藝制造技術,主要進行3mm x 3mm,16引腳QFN裝封。它非常的適當代替平滑/低噪音源調大器,但其中OIP3相當38dBm,躁音源數值不大于1.5dB。
RF3315高效率放大器 200 - 2200 MHz寬帶高線性度放大器 Qorvo現貨熱銷
2018-06-28 16:06:31
Qorvo的RF3315是一種款便捷率砷化鎵異質結雙極多晶體管(HBT)調大器,使用低的成本界面貼裝二極管封裝。該調大器是適用性于必須200MHz至3GHz率范圍內內的高非線性度和低背景噪聲標準值的應用。
RF3223表面貼裝封裝500 - 2000 MHz低噪聲,高線性驅動放大器 Qorvo現貨
2018-06-28 16:03:29
Qorvo的RF3223不是款操作有效益低表皮貼裝封裝的有效GaAs異質結雙極單晶體管(HBT)放縮器。該放縮器極為選適用位置包括需求500MHz至3GHz頻次位置內的高規則化度和低的噪音數值的操作。RF3223操作單5V配電配電,操作經濟能力的3mm x 3mm QFN封裝。
RF3220高效率砷化鎵異質結雙極晶體管(HBT)驅動放大器 Qorvo現貨熱銷
2018-06-28 15:38:32
Qorvo的RF3220有的是款快速率砷化鎵異質結雙極晶狀體管(HBT)變小器,使用低的成本面上貼裝芯片封裝形式。該變小器愈來愈支持于想要500MHz至3GHz頻率范圍之內內的高平滑度和低噪音污染公式的分為。RF3220使用單5V24v電源變電,使用成本的3mm x 3mm QFN芯片封裝形式。
RF2162高功率高效率線性放大器IC Qorvo 3 V線性放大器現貨代理商
2018-06-28 15:23:18
Qorvo的RF2162是針對于3V拿著設計的高工作生產率快速率直線縮放器IC。該電子元件進行先進性的砷化鎵異質結雙極硫化鋅管(HBT)工序手工制造,設計可作雙模式切換3V CDMA / AMPS拿著數字5蜂窩設配擴頻設計和其它技術應用中的最后RF縮放器。 800MHz至960MHz頻段。
QPM1000集成式限幅器/ LNA高性能低噪聲放大器 Qorvo現貨出售
2018-06-28 15:20:09
Qorvo QPM1000一款智能家居控制式限幅器/ LNA,可在2-20GHz率位置內給予穩建,高穩定性。QPM1000在增加收益控制下給予17 dB的小數字信號增加收益,在整體率位置內具備有1.7 - 4 dB的嘈音標準值,> 18 dBm P1dB。不但,智能家居控制限幅器給予獨角獸高達4 W的入射額定功率的穩建性品質,而沒消減穩定性。
美國AMCOM 微波設計制造公司 AMCOM代理商
2018-06-28 14:57:18
AMCOM建立于1994年14月,由一群人在紅外光控制電路構思和紅外光電子元器件加工技術設備個方面成功經驗充裕的紅外光構思師包含。它地處歐美馬里西安蓋瑟斯堡,距華盛頓大西北約20英里。該新公司用作智領的紅外光構思組建亨有盛譽,該組建也包括馬力FET,MMIC馬力擴大器或者帶RF和DC連入器的高馬力擴大器模快,這樣模快已備考好貼吧于紅外光設備。
欧洲一区二区-欧美激情一区二区-国产激情在线-欧美在线一区二区
上一頁
1
2
...
139
140
141
142
143
144
145
...
147
148
下一頁
尾頁
共
148
頁
4412
條數據