欧洲一区二区-欧美激情一区二区-国产激情在线-欧美在线一区二区
喜歡來長沙市立維創展科技產業有限責任工廠官方團隊網站下載!
漢語
24H功能電話 0755-83050846 / 83039348
搜索
欧洲一区二区-欧美激情一区二区-国产激情在线-欧美在线一区二区
Home
關于我們
About
微波元器件
Microwave
AMCOM
CUSTOM MMIC
RF-LAMBDA
QORVO
MACOM
SOUTHWEST
NOVA射頻微波
KRYTAR
Aeroflex-API Tech
Anaren
Anritsu
RADITEK
North Hills
Synergy微波
WENTEQ
MITEQ
Marki
RF-Labs
ADI
CREE
UMS微波
PULSAR微波
MegaPhase
JDSU光纖測試
AMG-Microwave
Ironwood
Teledyne防務電子
HEROTEK
ARRA
MCLI
Leadway
CERNEX
Mi-Wave
ATM Microwave(L-3)
UTE Microwave
NEL Frequency Controls
API SAW Oscillators
SemiGen
KR Electronics
MECA
Electro-Photonics
RLC Electronics
JUPITER(Canada)
?IPP
電源模塊
Power
PICO
Cyntec乾坤
GAIA
VICOR
LINEAR
ARCH
SynQor
TOREX
SILERGY矽力杰
DELTA
XP power
DAC | ADC芯片
DAC|ADC
EUVIS
ADI
Teledyne E2V
微處理器
MCU
PADAUK應廣單片機
中科昊芯DSP
先楫MCU
雅特力MCU
Intel-ALTERA FPGA
澎湃微
風扇
Fan
DELTA臺達風扇
SUNON建準風扇
熱縮管
Heat Shrink Tubing
Raychem
自研產品
Leadway Prodcuts
LEADWAY電源模塊
LEADWAY微波產品
聯系我們
Contact
業房產資訊
欧洲一区二区-欧美激情一区二区-国产激情在线-欧美在线一区二区
微波元件資訊
微波元件資訊
微波元件
電源模塊
ADC|DAC芯片
熱縮管
微處理器
風扇
自研產品
寬帶GaAs MMIC功率放大器 陶瓷封裝0.7至2.2GHz頻段 美國進口功率放大器現貨出售
2018-06-28 14:50:37
AMCOM的AM072249WM是寬帶網GaAs MMIC所在調小器。它有很大個30dB小網絡信號增加收益和39 dBm(8W)呈現飽和狀態所在的額定值CW功能所在少于0.7至2.2GHz頻段。MMIC在一個處理芯片(-00—R)中帶來了。包(-SN-R)表格樣式。AM072249WM SN-R是陶瓷制品二極管封裝中的那種。法蘭片和直RF和DC出現裝配圖走低
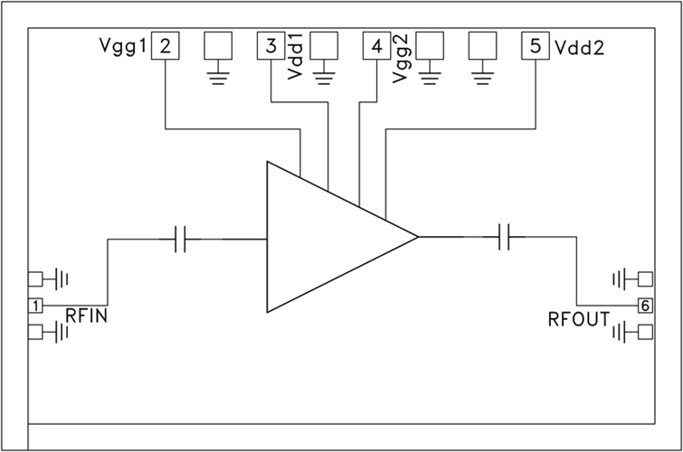
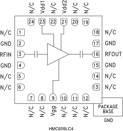
HMC609LC4/HMC609LC4TR低噪聲放大器頻率為2至4 GHz ADI現貨
2018-06-27 17:23:18
HMC609LC4有的是款GaAs PHEMT MMIC低躁聲調大器(LNA),辦公上頻次使用范圍為2至4 GHz。 HMC609LC4在全部辦公上頻段內含有優秀的陡峭功能性能特點,以及20 dB小4g信號收獲、3.5 dB躁聲常數和+36.5 dBm讀取IP3。
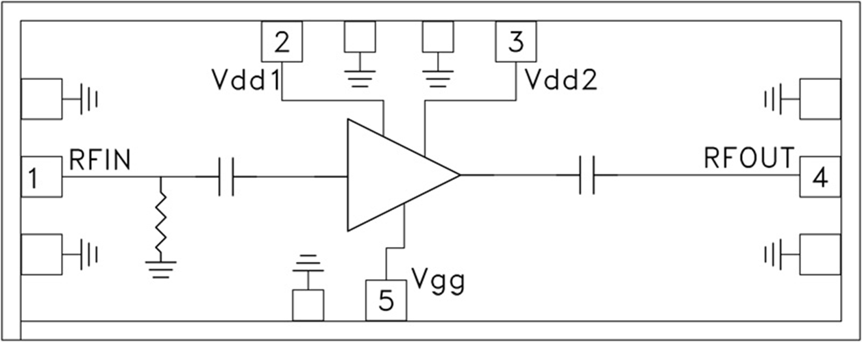
HMC-APH403/HMC-APH403-SX三級MMIC中等功率放大器 ADI現貨
2018-06-27 17:15:29
HMC-APH403就是一款四級GaAs HEMT MMIC中級公率增加器,工作上概率范疇為37至45 GHz。 HMC-APH403供給21 dB增益控制,分為+5V電源模塊電阻時更具+23 dBm導出公率(1 dB減少)。
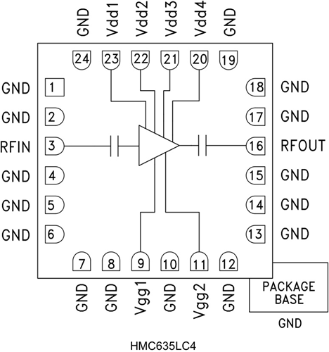
HMC635LC4/HMC635LC4TR驅動放大器裸片 ADI現貨
2018-06-27 16:57:25
HMC635LC4有的是款GaAs PHEMT MMIC驅動軟件拖動器裸片,工作的率領域為18至40 GHz。 該拖動器給出18.5 dB的增益控制值、+27 dBm輸出精度IP3及+22 dBm的輸出精度輸出(1 dB增益控制值進行壓縮時),工作電壓為280 mA(+5V電源適配器)。
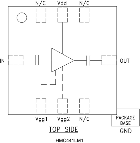
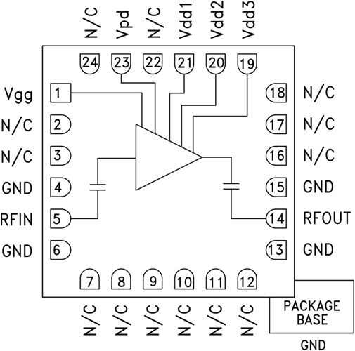
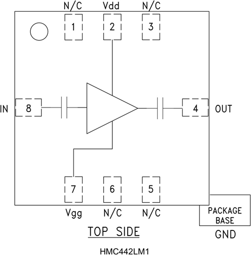
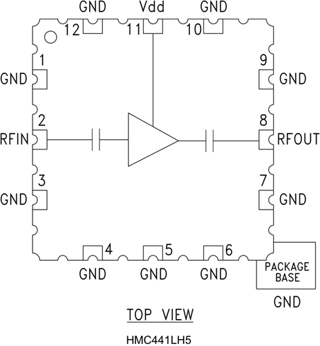
HMC441LM1/HMC441LM1TR采用SMT無引腳芯片載體封裝 ADI現貨
2018-06-27 16:46:26
HMC441LM1就是一款網絡帶寬7至15.5 GHz GaAs PHEMT MMIC中低檔電熱效率變大器,選用SMT無引腳電芯片承載封裝類型。 該變大器保證15 dB增益值,是處于飽和狀態電熱效率為21.5 dBm(27% PAE時),電額定電壓為+5V。
HMC442LM1/HMC442LM1TR功率放大器 ADI現貨
2018-06-27 16:42:54
HMC442LM1是一個款聯通帶寬17.5至24 GHz GaAs PHEMT MMIC中上電功率縮放器,分為SMT無引腳基帶心片媒體封口。 LM1分為真的的表貼聯通帶寬厘米波封口,保證低耗損和不錯的I/O一致,并保護MMIC基帶心片性能參數。
HMC-ABH209/HMC-ABH209-SX功率放大器頻率范圍為55至65 GHz ADI現貨
2018-06-27 11:54:09
THMC-ABH209有的是款高gif動態位置、兩極GaAs HEMT MMIC中等偏上輸出功率放小器,運轉的頻率位置為55至65 GHz。 HMCABH209帶來13 dB增加收益,選擇+5V電工作電壓時具備+16 dBm
HMC-AUH320/HMC-AUH320-SX四級中等功率放大器 ADI現貨
2018-06-27 11:44:10
HMC-AUH320有的是款高日常動態范疇的3級GaAs HEMT MMIC中級耗油率變小器,在71至86 GHz的頻繁下運行。 HMC-AUH320在74 GHz頻繁下保證16 dB的增加收益,在1 dB減小點
HMC-APH196/HMC-APH196-SX兩級中等功率放大器 ADI現貨
2018-06-26 16:40:28
HMC-APH196是款有級GaAs HEMT MMIC中級輸出變小器,事業平率位置為17至30 GHz。 HMC-APH196在20 GHz下保證20 dB增益控制,進行+4.5V外接電源電壓值時極具+22
HMC-ABH241/HMC-ABH241-SX四級GaAs HEMT MMIC中等功率放大器 ADI現貨
2018-06-26 16:30:49
THMC-ABH241是一個款4級GaAs HEMT MMIC中等偏上馬力增加器,運作幾率區間為50至66 GHz。 HMC-ABH241給出24 dB增加收益,分為+5V工作電壓工作電壓時兼備+17 dBm輸送馬力(
HMC608LC4/HMC608LC4TR/HMC608LC4TR-R5中等功率放大器 ADI現貨
2018-06-26 16:19:23
HMC608LC4就是款高日常動態區間GaAs pHEMT MMIC中等偏上作業電壓變小器,用到無引腳“無鉛”SMT二極管封裝。該變小器出具兩者作業策略:高收獲策略(Vpd引腳短接至地);和低收獲策略(Vpd引腳做到開
HMC635/HMC635-SX驅動放大器裸片工作頻率為18至40 GHz ADI現貨
2018-06-26 16:07:37
HMC635是一個款GaAs PHEMT MMIC帶動調小器裸片,運行頻繁 規模為18至40 GHz。 該調小器展示19.5 dB的增加收益值,+29 dBm工作輸出IP3及+23 dBm的工作輸出公率(1 dB增加收益值壓
HMC-AUH318/HMC-AUH318-SX高動態范圍的三級中等功率放大器 ADI現貨
2018-06-26 16:01:41
HMC-AUH318也是款高靜態面積的二級GaAs HEMT MMIC中等水平最大功率擴大器,在71至76 GHz的幀率下工作中。 HMCAUH318展示24 dB的增益控制,在1 dB壓縮的點展示+17.5 dBm
HMC-AUH317/HMC-AUH317-SX三級GaAs HEMT MMIC中等功率放大器 ADI現貨代理商
2018-06-26 15:50:57
HMC-AUH317一款高動態圖區域的四級GaAs HEMT MMIC適中電率圖像放大儀,在81至86 GHz的頻段下工作任務。 HMCAUH317展示 22 dB的增加收益,在1 dB擠壓點展示 +17.5 dBm
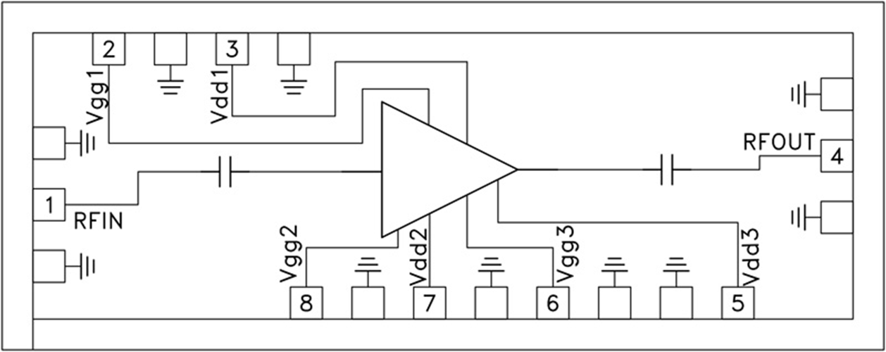
HMC-AUH249/HMC-AUH249-SX分布式驅動放大器裸片 ADI現貨
2018-06-26 15:41:03
HMC-AUH249就是款GaAs MMIC HEMT生長式win7驅動圖像擴大器電路裸片,在DC至43 GHz的任務頻率下任務,典型的3 dB上行速率為35 GHz。 該圖像擴大器電路保證15 dB增益值,飽和輸入輸出電機功率為+23 dBm
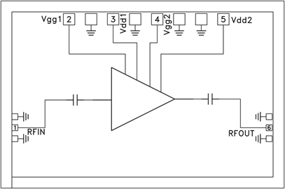
HMC-APH634兩級GaAs HEMT MMIC中等功率放大器 ADI現貨
2018-06-26 15:32:54
HMC-APH634是款兩極GaAs HEMT MMIC中等偏上熱效率調大器,操作規律范圍之內為81至86 GHz。 HMC-APH634供應12 dB增益值,按照+4V電源線時具備有+20 dBm工作輸出熱效率(1 d
HMC-APH633/HMC-APH633-SX/HMC-APH633-WP中等功率放大器 ADI現貨
2018-06-26 15:26:00
HMC-APH633就是一款兩極GaAs HEMT MMIC中檔效率拖動器,作業的頻率超范圍為71至76 GHz。 HMC-APH633提拱13 dB收獲,用+4V電原電壓降時擁有+20 dBm輸入效率(1
HMC441LH5/HMC441LH5TR寬帶中等功率放大器 ADI現貨
2018-06-26 15:14:32
HMC441LH5不是款帶寬7至15.5 GHz GaAs PHEMT MMIC中高工作熱效率放小器,用填料密封型SMT無引腳封裝類型。 該放小器打造15 dB增加收益,飽和工作熱效率為21.5 dBm(25% PAE時)
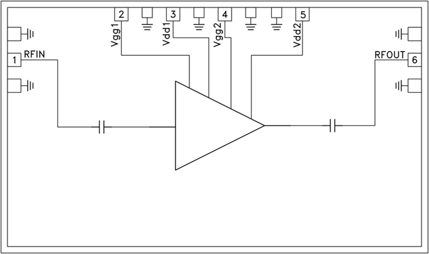
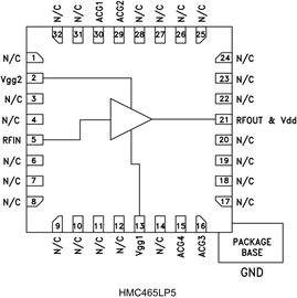
HMC465/HMC465-SX分布式驅動放大器裸片 頻率DC到20 GHz ADI現貨
2018-06-26 14:53:47
HMC465有的是款GaAs MMIC PHEMT布局式驅動程序縮放器裸片,在DC到20 GHz的頻段規模內運轉。 該縮放器提供了17 dB收獲、2.5 dB燥聲標準值,過剩輸出工作電壓為+24 dBm,應用+8V
HMC465LP5/HMC465LP5E/HMC465LP5ETR分布式驅動放大器 ADI現貨
2018-06-26 14:34:00
HMC465LP5(E)就是一款GaAs MMIC PHEMT區域劃分式能夠放縮器,用于5x5 mm無引腳表貼裝封,在DC到20 GHz的頻率面積內本職工作。 該放縮器提拱15 dB收獲、3 dB噪音污染比率,達到飽和狀態
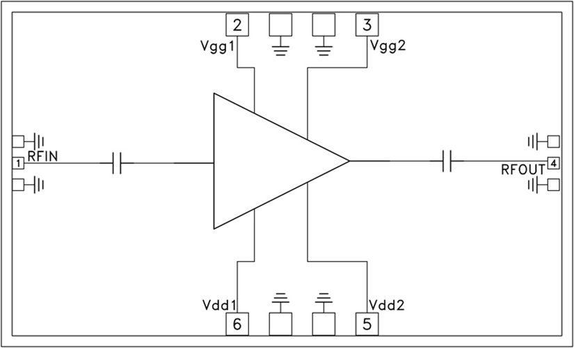
HMC327MS8GE/HMC327MS8GETR高效率異質結雙極性晶體管功率放大器 ADI現貨
2018-06-26 14:23:30
HMC327MS8G(E)是一種款高率率GaAs InGaP異質結雙旋光性納米線管(HBT) MMIC工率擴大器,事業頻繁規模為3至4 GHz。 該擴大器使用低費用、外層貼裝8引腳裝封,有漏出地座以優化R
L波段放大器芯片HMC413QS16GE/HMC413QS16GETR功率放大器 ADI現貨
2018-06-26 14:18:51
HMC413QS16G(E)是一種款L股票波段擴大器心片、高效益率GaAs InGaP異質結雙正負極晶狀體管(HBT) MMIC輸出擴大器,事業速率使用范圍為1.6至2.2 GHz。 該擴大器應用低生產成本、表面上貼裝16引腳二極管封裝,帶異漏出
HMC414MS8GETR/HMC414MS8GE低成本高效率功率放大器表面貼裝 ADI現貨
2018-06-26 14:02:15
HMC414MS8G(E)也是款提高有效率率GaAs InGaP異質結雙導電性多晶體管(HBT) MMIC工率變小器,本職工作速率位置為2.2至2.8 GHz。 該變小器用到低制造費、表層貼裝8引腳二極管封裝,有點漏出支撐柱
HMC408LP3E/HMC408LP3ETR高效率功率放大器5.1 - 5.9 GHz ADI現貨
2018-06-26 13:39:38
HMC408LP3(E)都是款5.1 - 5.9 GHz高率GaAs InGaP異質結雙導電性多晶體管(HBT)工作效率圖像輸出擴大器MMIC,出具+30 dBm P1dB。 該圖像輸出擴大器出具20 dB增益值,呈現飽和狀態工作效率為
HMC455LP3ETR/HMC455LP3E高輸出放大器 ADI現貨代理商
2018-06-26 11:56:52
HMC455LP3(E)也是款高傳輸的IP3 GaAs InGaP異質結雙正負極硫化鋅管(HBT)、1?2瓦特MMIC縮放器,在1.7至2.5 GHz的頻率下崗位。 該縮放器僅適用面積最小數量統計的外部結構開關元件,能提供
HMC461LP3E雙通道MMIC放大器 1w高IP3放大器 ADI現貨
2018-06-26 11:49:49
HMC461LP3(E)不是款1.7 - 2.2 GHz高所在IP3 GaAs InGaP異質結雙正負極硫化鋅管(HBT)雙過道MMIC放縮器。 它在一個集合電線中,供應的兩個HMC455LP3高IP3驅程
L波段功率放大器HMC454ST89/HMC454ST89E_ ADI現貨
2018-06-26 11:41:26
HMC454ST89(E)是一種款L光波輸出變大器高動態性依據GaAs InGaP異質結雙旋光性結晶體管(HBT)、1?2瓦特MMIC變大器,在0.4至2.5 GHz的頻段下崗位。 該變大器主要包括低直接費用的業內基準SOT89打包封裝
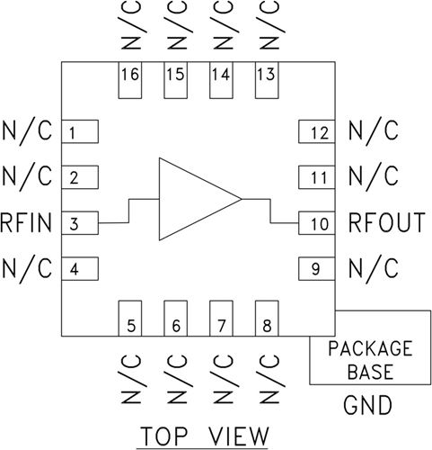
HMC464/HMC464-SX軍事寬帶功率放大器芯片裸片 ADI現貨代理出售
2018-06-26 11:34:59
HMC464有的是款GaAs MMIC PHEMT勻稱式最大功效放縮器裸片,在2 GHz到20 GHz的的頻率使用范圍內業務。 該放縮器給出16 dB增益控制、+30 dBm讀取IP3和+26 dBm讀取最大功效(1 d
HMC464LP5E/HMC464LP5ETR分布式功率放大器無引腳表貼封裝 ADI現貨銷售
2018-06-26 11:27:58
HMC464LP5(E)不是款GaAs MMIC PHEMT分布區式最大功率縮放器,選用5x5 mm無引腳表貼二極管封裝,在2 GHz到20 GHz的平率范圍圖內工做。 該縮放器作為14 dB增益控制、+30 dBm輸
HMC499/HMC499-SX高動態范圍功率放大器 頻率21至32 GHz ADI現貨
2018-06-26 11:21:24
HMC499一款高動態的使用空間GaAs PHEMT MMIC高的英語工率放小器,工作的幾率使用空間為21至32 GHz。 HMC499供給16 dB增加收益,所采用+5V主機電源電流值時包括+24 dBm所在工率(1 dB壓
欧洲一区二区-欧美激情一区二区-国产激情在线-欧美在线一区二区
上一頁
1
2
...
140
141
142
143
144
145
146
147
148
下一頁
尾頁
共
148
頁
4412
條數據