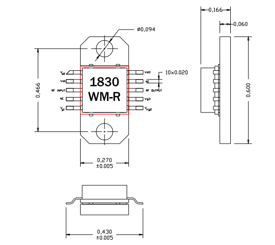
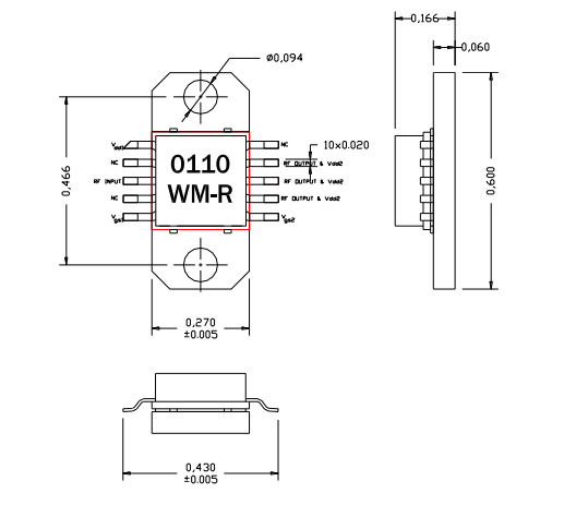
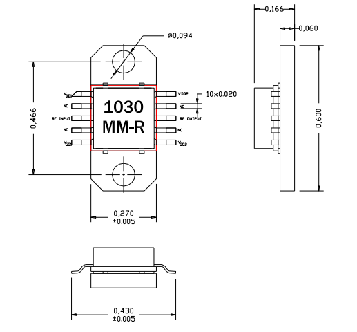
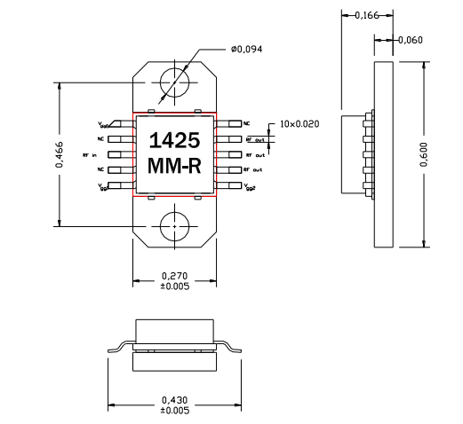
參數相近的AM103026MM-EM-R與HMC374,為什么推薦使用AM103026MM-EM-R?
2019-11-25 15:01:02
HMC374是ADI的通用型寬頻寬低噪音分貝圖像運放電路(LNA),幾率用作0.3至3.0 GHz。 建議備選+2.75V至5.5V單正電壓時,LNA提供數據15 dB收獲,1.5 dB噪音分貝指數公式。該元器件裝封都具有低噪音分貝指數公式、高P1dB (22 dBm)和高OIP3 (37 dBm),頗為適合使用蜂窩軟件應用軟件。緊身型LNA設計區建議備選爭對可抄襲收獲和噪音分貝指數公式做用的片內相配。 從而使板占地世界最大,設計區建議備選低掙錢SOT26裝封,使用占地僅為0.118” x 0.118”。HMC374適于作蜂窩/PCS/3G、WCS, MMDS 和ISM 、一定移動和WLAN和多功能大陸架挪動移動電等軟件應用軟件基本要素,不用辦理冗余相配